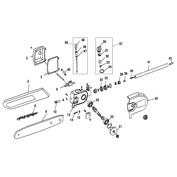
Esploso ricambi Applicazione potatore per Multitool a scoppio ATTILA DG 26-P

Esploso ricambi Applicazione potatore per Multitool a scoppio ATTILA DG 26-P

The wishlist name can't be left blank
Esploso ricambi Applicazione decespugliatore Multitool a scoppio ATTILA DG 26-T

Esploso ricambi Applicazione decespugliatore Multitool a scoppio ATTILA DG 26-T

Esploso ricambi Applicazione tosasiepi per Multitool a scoppio ATTILA DG 26-H

Esploso ricambi Applicazione tosasiepi per Multitool a scoppio ATTILA DG 26-H

Esploso ricambi Applicazione potatore per Multitool a scoppio ATTILA DG 26-P

1,20 €
Codice BM
015967ESP
Elementi prodotti raggruppati
Miniatura Nome prodotto Codice Disponibilità Qta
Applicazione potatore per Multitool a scoppio ATTILA DG 26-P
Prezzo riservato ai clienti abilitati.
015967 DISPONIBILE
Coperchio serbatoio olio per multitool GREEN LINE
Prezzo riservato ai clienti abilitati.
  • Riferimento Figura: 2
017322 DISPONIBILE
Guarnizione serbatoio olio per multitool GREEN LINE
Prezzo riservato ai clienti abilitati.
  • Riferimento Figura: 3
017323 DISPONIBILE
Protezione a busta mini
Prezzo riservato ai clienti abilitati.
  • Riferimento Figura: 5
000851 DISPONIBILE
Pompa olio per multitool GREEN LINE
Prezzo riservato ai clienti abilitati.
  • Riferimento Figura: 6
017324 DISPONIBILE
Vite pompa olio per multitool GREEN LINE
Prezzo riservato ai clienti abilitati.
  • Riferimento Figura: 10
018013 DISPONIBILE
SCATOLA INGRANAGGI NUDA APPLIC.POTATORE
Prezzo riservato ai clienti abilitati.
  • Riferimento Figura: 13
017329 DISPONIBILE
Vite tendicatena per potatori GREEN LINE
Prezzo riservato ai clienti abilitati.
  • Riferimento Figura: 14
017341 DISPONIBILE
Nottolino tendicatena per potatori GREEN LINE
Prezzo riservato ai clienti abilitati.
  • Riferimento Figura: 15
017342 DISPONIBILE
Pignone catena per multitool GREEN LINE
Prezzo riservato ai clienti abilitati.
  • Riferimento Figura: 21
017326 IN ARRIVO
Data di ARRIVO 29 giu 2026
Cuscinetto standard 608 diametro interno 8 mm
Prezzo riservato ai clienti abilitati.
  • Riferimento Figura: 26
016377 DISPONIBILE
Carter catena per multitool GREEN LINE
Prezzo riservato ai clienti abilitati.
  • Riferimento Figura: 28
017325 IN ARRIVO
Data di ARRIVO 30 giu 2026
Cuscinetto standard 609 diametro interno 9 mm
Prezzo riservato ai clienti abilitati.
  • Riferimento Figura: 33
008072 DATA DI ARRIVO IN DEFINIZIONE
Antivibrante per tagliasiepi GREEN LINE
Prezzo riservato ai clienti abilitati.
  • Riferimento Figura: 38
016878 DISPONIBILE
Boccola in metallo per antivibrante per multitool GREEN LINE
Prezzo riservato ai clienti abilitati.
  • Riferimento Figura: 39
016879 DISPONIBILE
Asta interna di trasmissione diametro 7 mm per multitool GREENLINE
Prezzo riservato ai clienti abilitati.
  • Riferimento Figura: 40
016885 DISPONIBILE
Tubo esterno diametro 24 mm per aste applicazione potatore GREENLINE
Prezzo riservato ai clienti abilitati.
  • Riferimento Figura: 41
017330 DISPONIBILE
Giunto asta interna per multitool GREEN LINE
Prezzo riservato ai clienti abilitati.
  • Riferimento Figura: 42
016886 IN ARRIVO
Data di ARRIVO 30 giu 2026
VITE SPECIALE COPERCHIO APPLIC.POTATORE
Prezzo riservato ai clienti abilitati.
  • Riferimento Figura: 45
017327 DISPONIBILE
Filtro olio per multitool GREEN LINE
Prezzo riservato ai clienti abilitati.
  • Riferimento Figura: 56
017340 DISPONIBILE
Tubo olio per potatori GREEN LINE
Prezzo riservato ai clienti abilitati.
017331 DISPONIBILE
Filtro olio per multitool GREEN LINE
Prezzo riservato ai clienti abilitati.
017339 DISPONIBILE
Sede filtro olio per multitool GREEN LINE
Prezzo riservato ai clienti abilitati.
017338 DISPONIBILE
Tappo serbatoio olio per potatori GREEN LINE
Prezzo riservato ai clienti abilitati.
  • Riferimento Figura: 57
017337 DISPONIBILE
Valvola di sfiato tappo serbatoio olio per multitool GREEN LINE
Prezzo riservato ai clienti abilitati.
017335 DISPONIBILE
More more more Information
Nome prodotto Esploso ricambi Applicazione potatore per Multitool a scoppio ATTILA DG 26-P
Codice BM 015967ESP