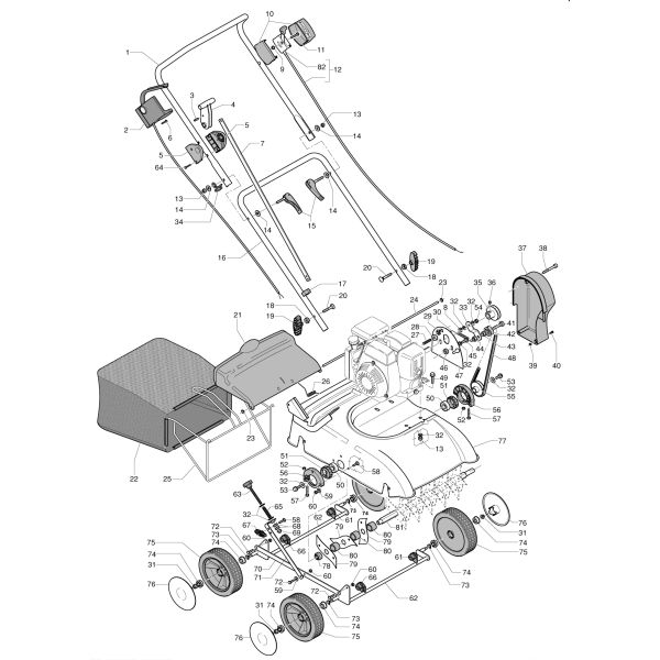
Esploso ricambi Arieggiatore elettrico MAORI MP400H

Esploso ricambi Arieggiatore elettrico MAORI MP400H

The wishlist name can't be left blank
Esploso ricambi Arieggiatore elettrico GREEN LINE GL 3618 EL COMBI

Esploso ricambi Arieggiatore elettrico GREEN LINE GL 3618 EL COMBI

Esploso ricambi Arieggiatore elettrico MAORI MP 400 EL

Esploso ricambi Arieggiatore elettrico MAORI MP 400 EL

Esploso ricambi Arieggiatore elettrico MAORI MP400H

1,30 €
Codice BM
026600ESP
Elementi prodotti raggruppati
Miniatura Nome prodotto Codice Disponibilità Qta
Interruttore per arieggiatori MAORI
Prezzo riservato ai clienti abilitati.
  • Riferimento Figura: 2
030166 DISPONIBILE
Leva alzaruote per rasaerba MAORI
Prezzo riservato ai clienti abilitati.
  • Riferimento Figura: 4
035441 DISPONIBILE
Coperchio acceleratore per rasaerba HARRY
Prezzo riservato ai clienti abilitati.
  • Riferimento Figura: 10
030681 DISPONIBILE
Cavo Acceleratore per rasaerba MAORI CP053142
Prezzo riservato ai clienti abilitati.
  • Riferimento Figura: 12
030129 DISPONIBILE
Leva bloccaggio stegole per rasaerba MAORI
Prezzo riservato ai clienti abilitati.
  • Riferimento Figura: 15
035491 DISPONIBILE
Sacco raccolta per arieggiatori MAORI
Prezzo riservato ai clienti abilitati.
  • Riferimento Figura: 22
035429 DISPONIBILE
MOLLA COPERC. SCAR. POST. MP400EL MP400H
Prezzo riservato ai clienti abilitati.
  • Riferimento Figura: 26
035437 DISPONIBILE
MOLLA LEVA GALOPPINO MP400H
Prezzo riservato ai clienti abilitati.
  • Riferimento Figura: 30
035434 DISPONIBILE
Puleggia per arieggiatori MAORI diametro esterno 63 mm
Prezzo riservato ai clienti abilitati.
  • Riferimento Figura: 35
035448 DISPONIBILE
GRANO PULEGGIA ALBERO MOTORE HR 530 SB -
Prezzo riservato ai clienti abilitati.
  • Riferimento Figura: 36
030671 NON DISPONIBILE
Non Disponibile
Carter copricinghia per arieggiatori MAORI
Prezzo riservato ai clienti abilitati.
  • Riferimento Figura: 37
035431 DISPONIBILE
Puleggia tendicinghia per arieggiatori MAORI diametro esterno 38.2 mm
Prezzo riservato ai clienti abilitati.
  • Riferimento Figura: 42
030144 DISPONIBILE
Cinghia TRAPEZOIDALE 25 pollici per arieggiatori MAORI
Prezzo riservato ai clienti abilitati.
  • Riferimento Figura: 48
026309 DISPONIBILE
Cuscinetto standard 6203 diametro interno 17 mm
Prezzo riservato ai clienti abilitati.
  • Riferimento Figura: 50
005302 DISPONIBILE
CAMMA ALBERO LAME S390
Prezzo riservato ai clienti abilitati.
  • Riferimento Figura: 51
027969 NON DISPONIBILE
Non Disponibile
Puleggia per arieggiatori MAORI diametro esterno 65 mm
Prezzo riservato ai clienti abilitati.
  • Riferimento Figura: 55
026930 DISPONIBILE
FLANGIA SUPPORTO CAMMA ALBERO LAME S390
Prezzo riservato ai clienti abilitati.
  • Riferimento Figura: 56
027968 NON DISPONIBILE
Non Disponibile
SUPPORTO ASSALE ANTERIORE DX HR 460 PX
Prezzo riservato ai clienti abilitati.
  • Riferimento Figura: 61
030625 NON DISPONIBILE
Non Disponibile
Pomello alzaruote per rasaerba MAORI
Prezzo riservato ai clienti abilitati.
  • Riferimento Figura: 63
035439 DISPONIBILE
Molla alzaruote per rasaerba MAORI
Prezzo riservato ai clienti abilitati.
  • Riferimento Figura: 65
035436 DISPONIBILE
SUPPORTO ASSALE ANTERIORE SX HR 460 PX
Prezzo riservato ai clienti abilitati.
  • Riferimento Figura: 66
030626 NON DISPONIBILE
Non Disponibile
Rondella in nylon diametro 8 spessore 10
Prezzo riservato ai clienti abilitati.
  • Riferimento Figura: 68
026965 DISPONIBILE
Cuscinetto ruote rasaerba diametro interno 12.2 mm
Prezzo riservato ai clienti abilitati.
  • Riferimento Figura: 74
030648 DISPONIBILE
Ruota diametro 205 mm per rasaerba HARRY
Prezzo riservato ai clienti abilitati.
  • Riferimento Figura: 75
030705 DISPONIBILE
Distanziale esterno albero lame per arieggiatori MAORI
Prezzo riservato ai clienti abilitati.
  • Riferimento Figura: 78
026935 DISPONIBILE
Coltello per arieggiatori MAORI
Prezzo riservato ai clienti abilitati.
  • Riferimento Figura: 79
027972 DISPONIBILE
Distanziale per arieggiatori MAORI
Prezzo riservato ai clienti abilitati.
  • Riferimento Figura: 80
026940 DISPONIBILE
Albero lame per arieggiatori MAORI
Prezzo riservato ai clienti abilitati.
  • Riferimento Figura: 81
026945 DISPONIBILE
Manettino gas Acceleratore per rasaerba MAORI
Prezzo riservato ai clienti abilitati.
  • Riferimento Figura: 82
035497 DISPONIBILE
More more more Information
Nome prodotto Esploso ricambi Arieggiatore elettrico MAORI MP400H
Codice BM 026600ESP