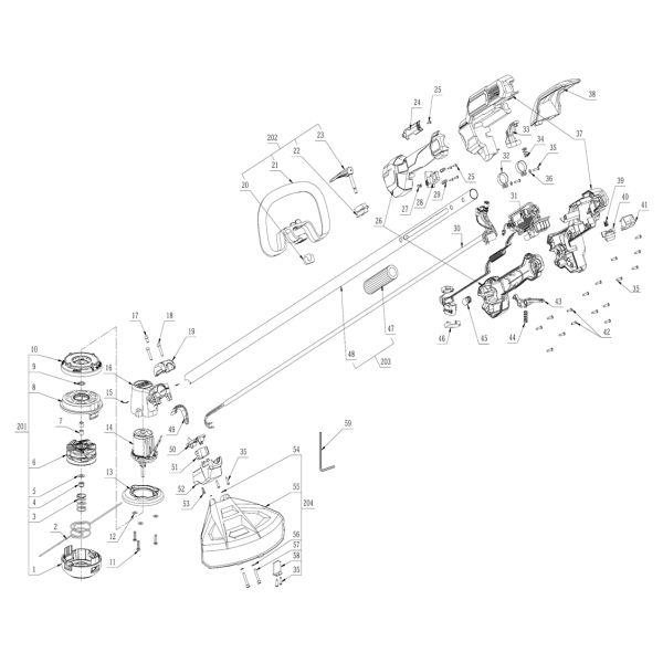
Esploso ricambi Decespugliatore a batteria EGO ST 1510E

Esploso ricambi Decespugliatore a batteria EGO ST 1510E

The wishlist name can't be left blank
Esploso ricambi Decespugliatore a batteria professionale EGO STX 3800

Esploso ricambi Decespugliatore a batteria professionale EGO STX 3800

Esploso ricambi Decespugliatore a scoppio ATTILA HONDA ATH 50-W

Esploso ricambi Decespugliatore a scoppio ATTILA HONDA ATH 50-W

Esploso ricambi Decespugliatore a batteria EGO ST 1510E

0,10 €
Codice BM
048215ESP
Elementi prodotti raggruppati
Miniatura Nome prodotto Codice Disponibilità Qta
Coperchio inferiore testina decespugliatore EGO ST 1510 E
Prezzo riservato ai clienti EGOPoint.
  • Riferimento Figura: 1
050348 DISPONIBILE
Molla per testina trimmer EGO ST 1210E - 1500 E
Prezzo riservato ai clienti EGOPoint.
  • Riferimento Figura: 3
035135 DISPONIBILE
Dado testina EGO ST 1210E
Prezzo riservato ai clienti EGOPoint.
  • Riferimento Figura: 4
035134 DISPONIBILE
Rondella EGO HT 5100E
Prezzo riservato ai clienti EGOPoint.
  • Riferimento Figura: 5
039578 DISPONIBILE
Rocchetto testina EGO ST 1510E
Prezzo riservato ai clienti EGOPoint.
  • Riferimento Figura: 6
050378 DISPONIBILE
Boccola testina EGO ST 1510E
Prezzo riservato ai clienti EGOPoint.
  • Riferimento Figura: 7
050379 DISPONIBILE
Coperchio superiore per testina filo EGO ST 1510E
Prezzo riservato ai clienti EGOPoint.
  • Riferimento Figura: 8
050380 DISPONIBILE
Seeger alberino eccentrico EGO HT 5100E
Prezzo riservato ai clienti EGOPoint.
  • Riferimento Figura: 9
039697 DISPONIBILE
Coperchio superiore testina EGO ST 1510E
Prezzo riservato ai clienti EGOPoint.
  • Riferimento Figura: 10
050381 DISPONIBILE
Vite a testa esagonale EGO ST 1300E / ST 1500E
Prezzo riservato ai clienti EGOPoint.
  • Riferimento Figura: 11
039636 DATA DI ARRIVO IN DEFINIZIONE
Riparo inferiore motore elettrico EGO ST 1510E
Prezzo riservato ai clienti EGOPoint.
  • Riferimento Figura: 13
050382 DISPONIBILE
Motore elettrico per decespugliatori EGO ST 1510E
Prezzo riservato ai clienti EGOPoint.
  • Riferimento Figura: 14
050383 DISPONIBILE
Coperchio motore per decespugliatori EGO 3422085001
Prezzo riservato ai clienti EGOPoint.
  • Riferimento Figura: 16
050384 DISPONIBILE
Vite a testa esagonale EGO LM 2010ESP / ST 1300E
Prezzo riservato ai clienti EGOPoint.
  • Riferimento Figura: 17
039649 DISPONIBILE
Vite a testa esagonale EGO ST 1300E / ST 1500E
Prezzo riservato ai clienti EGOPoint.
  • Riferimento Figura: 18
039651 DISPONIBILE
Carter testina superiore per decespugliatori EGO ST 1510
Prezzo riservato ai clienti EGOPoint.
  • Riferimento Figura: 19
050385 DISPONIBILE
Bullone impugnatura EGO ST 1500EF / PH 1400E
Prezzo riservato ai clienti EGOPoint.
  • Riferimento Figura: 20
045991 DISPONIBILE
Impugnatura per aste decespugliatori EGO ST 1500EF / PH 1400E
Prezzo riservato ai clienti EGOPoint.
  • Riferimento Figura: 21
040978 DISPONIBILE
Blocchetto chiusura impugnatura per decespugliatori EGO ST 1500E-F
Prezzo riservato ai clienti EGOPoint.
  • Riferimento Figura: 22
040977 DISPONIBILE
Bullone fissaggio impugantura per decespugliatori EGO ST 1500E-F
Prezzo riservato ai clienti EGOPoint.
  • Riferimento Figura: 23
040838 DISPONIBILE
Piastra montaggio manettino acceleratore EGO ST 1510
Prezzo riservato ai clienti EGOPoint.
  • Riferimento Figura: 24
050386 DISPONIBILE
Vite EGO CS 1400E-PH 1400E
Prezzo riservato ai clienti EGOPoint.
  • Riferimento Figura: 25
035127 DISPONIBILE
Kit gusci manettino acceleratore per decespugliatori EGO ST 1510E
Prezzo riservato ai clienti EGOPoint.
  • Riferimento Figura: 26
050387 DISPONIBILE
Molla tasto sicurezza acceleratore per decespugliatori EGO ST 1510E
Prezzo riservato ai clienti EGOPoint.
  • Riferimento Figura: 27
050388 DISPONIBILE
Tasto sicurezza acceleratore per decespugliatori EGO ST 1510E
Prezzo riservato ai clienti EGOPoint.
  • Riferimento Figura: 28
050389 DISPONIBILE
Blocchetto impugnatura EGO PH 1400E
Prezzo riservato ai clienti EGOPoint.
  • Riferimento Figura: 29
040969 DISPONIBILE
Cavo elettrico per decespugliatori EGO 4860544001
Prezzo riservato ai clienti EGOPoint.
  • Riferimento Figura: 30
050390 DISPONIBILE
Assemblaggio elettrico decespugliatore EGO ST 1510E
Prezzo riservato ai clienti EGOPoint.
  • Riferimento Figura: 31
050391 NON DISPONIBILE
Non Disponibile
Assemblaggio Elettrico EGO ST 1510E
Prezzo riservato ai clienti EGOPoint.
  • Riferimento Figura: 31 (v2022)
060669 DISPONIBILE
Anello fissaggio EGO ST 1210E
Prezzo riservato ai clienti EGOPoint.
  • Riferimento Figura: 32
035121 DISPONIBILE
Leva spinta batteria per tagliasiepi EGO HT 5100E
Prezzo riservato ai clienti EGOPoint.
  • Riferimento Figura: 33
039502 DISPONIBILE
Molla leva spinta batteria per tagliasiepi EGO HT 5100E
Prezzo riservato ai clienti EGOPoint.
  • Riferimento Figura: 34
039573 DISPONIBILE
Vite autofilettante EGO LB 6000E STA 1500
Prezzo riservato ai clienti EGOPoint.
  • Riferimento Figura: 35
046076 DISPONIBILE
Rondella piana EGO ST 1210E
Prezzo riservato ai clienti EGOPoint.
  • Riferimento Figura: 36
035122 DATA DI ARRIVO IN DEFINIZIONE
Kit gusci supporto batteria EGO ST 1510E
Prezzo riservato ai clienti EGOPoint.
  • Riferimento Figura: 37
050392 DISPONIBILE
Coperchio gusci supporto batteria EGO ST 1510E
Prezzo riservato ai clienti EGOPoint.
  • Riferimento Figura: 38
050393 DISPONIBILE
Molla pulsante blocco batteria per soffiatori EGO LB 5300E
Prezzo riservato ai clienti EGOPoint.
  • Riferimento Figura: 39
035116 DISPONIBILE
Pulsante blocco batteria per motoseghe EGO
Prezzo riservato ai clienti EGOPoint.
  • Riferimento Figura: 40
035316 DISPONIBILE
Pulsante sgancio batteria per motoseghe EGO
Prezzo riservato ai clienti EGOPoint.
  • Riferimento Figura: 41
035317 DISPONIBILE
Vite autofilettante EGO PH 1400E
Prezzo riservato ai clienti EGOPoint.
  • Riferimento Figura: 42
046078 DISPONIBILE
Leva acceleratore per decespugliatori EGO ST 1510E
Prezzo riservato ai clienti EGOPoint.
  • Riferimento Figura: 43
050394 DISPONIBILE
Molla ritorno leva acceleratore per decespugliatori EGO ST 1510E
Prezzo riservato ai clienti EGOPoint.
  • Riferimento Figura: 44
050395 DISPONIBILE
Supporto interruttore acceleratore EGO ST 1510E
Prezzo riservato ai clienti EGOPoint.
  • Riferimento Figura: 46
050396 DISPONIBILE
Impugnatura in gomma EGO ST 1510E
Prezzo riservato ai clienti EGOPoint.
  • Riferimento Figura: 47
050397 DATA DI ARRIVO IN DEFINIZIONE
Tasto interruttore avvolgifilo EGO ST 1510E
Prezzo riservato ai clienti EGOPoint.
  • Riferimento Figura: 49
050398 DISPONIBILE
Supporto interruttore EGO ST 1510E
Prezzo riservato ai clienti EGOPoint.
  • Riferimento Figura: 50
050399 DISPONIBILE
Interruttore avvolgifilo testina per decespugliatori EGO ST 1510
Prezzo riservato ai clienti EGOPoint.
  • Riferimento Figura: 51
050401 DISPONIBILE
Carter testina inferiore per decespugliatori EGO ST 1510
Prezzo riservato ai clienti EGOPoint.
  • Riferimento Figura: 52
050402 DISPONIBILE
O-ring supporto parasassi EGO ST 1500E-F
Prezzo riservato ai clienti EGOPoint.
  • Riferimento Figura: 54
046147 DISPONIBILE
Parasassi per decespugliatori EGO ST 1510E
Prezzo riservato ai clienti EGOPoint.
  • Riferimento Figura: 55
050403 DISPONIBILE
Rondella ondulata EGO LM 2010E/LM 2100E-SP
Prezzo riservato ai clienti EGOPoint.
  • Riferimento Figura: 56
039681 DISPONIBILE
Vite fissaggio parasassi per decespugliatori EGO ST 1510E
Prezzo riservato ai clienti EGOPoint.
  • Riferimento Figura: 57
050404 DISPONIBILE
Lametta parasassi per decespugliatori EGO BC 1500E
Prezzo riservato ai clienti EGOPoint.
  • Riferimento Figura: 58
039583 DISPONIBILE
Testina per decespugliatori EGO AH 1520
Prezzo riservato ai clienti EGOPoint.
  • Riferimento Figura: 201
050464 DISPONIBILE
Impugnatura singola per aste decespugliatori EGO ST 1500E-F
Prezzo riservato ai clienti EGOPoint.
  • Riferimento Figura: 202
040837 DISPONIBILE
Tubo esterno diametro 25 mm per aste decespugliatori EGO
Prezzo riservato ai clienti EGOPoint.
  • Riferimento Figura: 203
050405 DISPONIBILE
Parasassi completo per decespugliatori EGO ST 1510E
Prezzo riservato ai clienti EGOPoint.
  • Riferimento Figura: 204
050406 DISPONIBILE
More more more Information
Nome prodotto Esploso ricambi Decespugliatore a batteria EGO ST 1510E
Codice BM 048215ESP