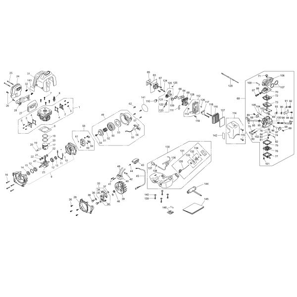
Esploso ricambi Decespugliatore a scoppio MAORI ZENOAH GZ 45 N-S

Esploso ricambi Decespugliatore a scoppio MAORI ZENOAH GZ 45 N-S

The wishlist name can't be left blank
Esploso ricambi Decespugliatore a scoppio MAORI ZENOAH GZ-50N-W

Esploso ricambi Decespugliatore a scoppio MAORI ZENOAH GZ-50N-W

Esploso ricambi Decespugliatore a scoppio MAORI ZENOAH GZ-45N-W

Esploso ricambi Decespugliatore a scoppio MAORI ZENOAH GZ-45N-W

Esploso ricambi Decespugliatore a scoppio MAORI ZENOAH GZ 45 N-S

1,00 €
Codice BM
014371ESP
Elementi prodotti raggruppati
Miniatura Nome prodotto Codice Disponibilità Qta
Kit Segmenti standard ZENOAH - KOMATSU diametro 43 mm
Prezzo riservato ai clienti abilitati.
  • Riferimento Figura: 18
015152 DISPONIBILE
Anello per spinotto pistoni diametro 11 mm ZENOAH - KOMATSU - RED MAX
Prezzo riservato ai clienti abilitati.
  • Riferimento Figura: 20
010098 DISPONIBILE
Spinotto per pistone diametro 11 mm per motori KAWASAKI
Prezzo riservato ai clienti abilitati.
019553 DISPONIBILE
Serie guarnizioni per decespugliatori ZENOAH - KOMATSU - RED MAX
Prezzo riservato ai clienti abilitati.
  • Riferimento Figura: 4+6+11+65+66+107
015132 DISPONIBILE
Guarnizione flangia termica per decespugliatori ZENOAH - KOMATSU 848H7014B2
Prezzo riservato ai clienti abilitati.
  • Riferimento Figura: 65
015129 DISPONIBILE
Guarnizione flangia termica per decespugliatori ZENOAH - KOMATSU 848H7014C1
Prezzo riservato ai clienti abilitati.
  • Riferimento Figura: 66
015130 DISPONIBILE
Candela NGK CMR7H
Prezzo riservato ai clienti abilitati.
  • Riferimento Figura: 8
012808 DISPONIBILE
Albero motore per decespugliatori ZENOAH - KOMATSU
Prezzo riservato ai clienti abilitati.
  • Riferimento Figura: 9
015102 DISPONIBILE
Cuscinetto standard 6202 diametro interno 15 mm
Prezzo riservato ai clienti abilitati.
  • Riferimento Figura: 12
015093 DISPONIBILE
Paraolio per decespugliatori ZENOAH T401921210
Prezzo riservato ai clienti abilitati.
  • Riferimento Figura: 13
015094 DISPONIBILE
Gabbia rulli ZENOAH
Prezzo riservato ai clienti abilitati.
  • Riferimento Figura: 21
013975 DISPONIBILE
Rondella per spinotto pistoni ZENOAH - KOMATSU - RED MAX
Prezzo riservato ai clienti abilitati.
  • Riferimento Figura: 22
015097 DISPONIBILE
Marmitta per decespugliatori ZENOAH - KOMATSU - RED MAX
Prezzo riservato ai clienti abilitati.
  • Riferimento Figura: 24
015104 DISPONIBILE
Riparo marmitta per decespugliatori ZENOAH - KOMATSU - RED MAX
Prezzo riservato ai clienti abilitati.
  • Riferimento Figura: 28
015106 DISPONIBILE
Carter volano per decespugliatori ZENOAH
Prezzo riservato ai clienti abilitati.
  • Riferimento Figura: 29
015107 DISPONIBILE
Cuffia motore per decespugliatori ZENOAH - KOMATSU - RED MAX
Prezzo riservato ai clienti abilitati.
  • Riferimento Figura: 31
015108 DISPONIBILE
Frizione completa per decespugliatori ZENOAH - KOMATSU - RED MAX 848H705110
Prezzo riservato ai clienti abilitati.
  • Riferimento Figura: 33
015109 IN ARRIVO
Data di ARRIVO 30 gen 2026
Set Viti frizione per decespugliatori ZENOAH - KOMATSU - RED MAX
Prezzo riservato ai clienti abilitati.
  • Riferimento Figura: 36
004744 DISPONIBILE
Rondella frizione per decespugliatori ZENOAH - KOMATSU - RED MAX
Prezzo riservato ai clienti abilitati.
  • Riferimento Figura: 37
004745 DISPONIBILE
Bobina accensione per decespugliatori ZENOAH - KOMATSU - RED MAX 848H7C7120
Prezzo riservato ai clienti abilitati.
  • Riferimento Figura: 40
015112 IN ARRIVO
Data di ARRIVO 31 dic 2025
Attacco candela per motori ZENOAH
Prezzo riservato ai clienti abilitati.
  • Riferimento Figura: 43
015113 NON DISPONIBILE
Non Disponibile
Cavo elettrico per decespugliatori ZENOAH - KOMATSU - RED MAX
Prezzo riservato ai clienti abilitati.
  • Riferimento Figura: 45
015114 DISPONIBILE
Avviamento completo per decespugliatori ZENOAH - KOMATSU - RED MAX 848H737511 848H737511
Prezzo riservato ai clienti abilitati.
  • Riferimento Figura: 49
015115 DISPONIBILE
Puleggia avviamento per decespugliatori ZENOAH - KOMATSU - RED MAX diametro esterno 75 mm
Prezzo riservato ai clienti abilitati.
  • Riferimento Figura: 50
015116 DISPONIBILE
Molla trascinatore avviamento per decespugliatori ZENOAH - KOMATSU - RED MAX
Prezzo riservato ai clienti abilitati.
  • Riferimento Figura: 52
015118 DISPONIBILE
Molla avviamento per decespugliatori ZENOAH - KOMATSU - RED MAX 848H7075B1 - 521637401
Prezzo riservato ai clienti abilitati.
  • Riferimento Figura: 53
015119 DISPONIBILE
Impugnatura avviamento per decespugliatori KAWASAKI - MITSUBISHI - ZENOAH
Prezzo riservato ai clienti abilitati.
  • Riferimento Figura: 56
015122 DATA DI ARRIVO IN DEFINIZIONE
Trascinatore avviamento per decespugliatori ZENOAH - KOMATSU - RED MAX
Prezzo riservato ai clienti abilitati.
  • Riferimento Figura: 58
015124 DISPONIBILE
Saltarello avviamento per decespugliatori ZENOAH - KOMATSU - RED MAX
Prezzo riservato ai clienti abilitati.
  • Riferimento Figura: 59
015125 DISPONIBILE
Molla saltarelli avviamento per decespugliatori ZENOAH - KOMATSU - RED MAX
Prezzo riservato ai clienti abilitati.
  • Riferimento Figura: 60
015126 DISPONIBILE
Flangia termica per decespugliatori ZENOAH - KOMATSU - RED MAX 848H7014A3
Prezzo riservato ai clienti abilitati.
  • Riferimento Figura: 63
015127 DISPONIBILE
Carburatore a membrana per decespugliatori ZENOAH 84H708102
Prezzo riservato ai clienti abilitati.
  • Riferimento Figura: 68
015131 DATA DI ARRIVO IN DEFINIZIONE
Primer per decespugliatori ZENOAH - KOMATSU - RED MAX
Prezzo riservato ai clienti abilitati.
  • Riferimento Figura: 110
015135 DISPONIBILE
Supporto filtro aria per decespugliatori ZENOAH - KOMATSU - RED MAX
Prezzo riservato ai clienti abilitati.
  • Riferimento Figura: 112
015136 DISPONIBILE
Coperchio filtro aria per decespugliatori ZENOAH - KOMATSU - RED MAX
Prezzo riservato ai clienti abilitati.
  • Riferimento Figura: 114
015137 DISPONIBILE
Filtro aria per decespugliatori ZENOAH - KOMATSU - RED MAX 848H7083F1
Prezzo riservato ai clienti abilitati.
  • Riferimento Figura: 116
015138 DISPONIBILE
Supporto fermacavo acceleratore per motori ZENOAH
Prezzo riservato ai clienti abilitati.
  • Riferimento Figura: 120
015140 DISPONIBILE
Prefiltro per decespugliatori, potatori e scuotiolive STIHL
Prezzo riservato ai clienti abilitati.
  • Riferimento Figura: 127
015141 DISPONIBILE
Cavo Acceleratore per decespugliatori ZENOAH 8488P40330
Prezzo riservato ai clienti abilitati.
  • Riferimento Figura: 129
015142 DISPONIBILE
Tappo serbatoio carburante per decespugliatori ZENOAH - KOMATSU - RED MAX Z1601.85201 - Z4500.85201 - ZT1015.85201 - ZT1015.85202
Prezzo riservato ai clienti abilitati.
  • Riferimento Figura: 131
007091 DATA DI ARRIVO IN DEFINIZIONE
Tubo carburante per decespugliatori ZENOAH - KOMATSU - RED MAX Z8487-98530
Prezzo riservato ai clienti abilitati.
  • Riferimento Figura: 136
015145 DATA DI ARRIVO IN DEFINIZIONE
Connettore di giunzione per decespugliatori ZENOAH - KOMATSU - RED MAX
Prezzo riservato ai clienti abilitati.
  • Riferimento Figura: 146
015146 DISPONIBILE
Campana frizione diametro interno 78 mm per decespugliatori MAORI
Prezzo riservato ai clienti abilitati.
  • Riferimento Figura: 3A
015180 DATA DI ARRIVO IN DEFINIZIONE
Cuscinetto standard 6202 diametro interno 15 mm
Prezzo riservato ai clienti abilitati.
  • Riferimento Figura: 5A
015181 DISPONIBILE
Antivibrante per decespugliatori MAORI - JAPAN 412-K1300000030 412-K1300000030
Prezzo riservato ai clienti abilitati.
  • Riferimento Figura: 8A
015182 DISPONIBILE
Raccordo gruppo frizione per decespugliatori ZENOAH - KOMATSU - RED MAX
Prezzo riservato ai clienti abilitati.
  • Riferimento Figura: 9A
015183 DISPONIBILE
Staffa di appoggio asta per decespugliatori MAORI
Prezzo riservato ai clienti abilitati.
  • Riferimento Figura: 14A
008120 DISPONIBILE
Coppia conica per decespugliatori MAORI - DAI SHIN innesto Z9 Millerighe
Prezzo riservato ai clienti abilitati.
  • Riferimento Figura: 1B
015184 DISPONIBILE
Pignone per coppia conica per aste decespugliatori MAORI
Prezzo riservato ai clienti abilitati.
  • Riferimento Figura: 4B
015186 DATA DI ARRIVO IN DEFINIZIONE
Corona dentata per aste decespugliatori MAORI
Prezzo riservato ai clienti abilitati.
  • Riferimento Figura: 5B
015187 DATA DI ARRIVO IN DEFINIZIONE
Albero coppia conica per aste decespugliatori MAORI
Prezzo riservato ai clienti abilitati.
  • Riferimento Figura: 6B
015188 DISPONIBILE
Flangia superiore per coppie coniche per decespugliatori MAORI - DAI SHIN
Prezzo riservato ai clienti abilitati.
  • Riferimento Figura: 7B
015189 DATA DI ARRIVO IN DEFINIZIONE
Flangia inferiore per coppie coniche per decespugliatori MAORI - DAI SHIN
Prezzo riservato ai clienti abilitati.
  • Riferimento Figura: 8B
015190 DATA DI ARRIVO IN DEFINIZIONE
Coppetta fissa per coppie coniche per decespugliatori MAORI - DAI SHIN
Prezzo riservato ai clienti abilitati.
  • Riferimento Figura: 9B
015191 DATA DI ARRIVO IN DEFINIZIONE
Cuscinetto standard 6001 diametro interno 12 mm
Prezzo riservato ai clienti abilitati.
  • Riferimento Figura: 12B
015192 DISPONIBILE
Cuscinetto standard 6001 diametro interno 12 mm
Prezzo riservato ai clienti abilitati.
  • Riferimento Figura: 13B
015193 DISPONIBILE
Cuscinetto standard 6000 diametro interno 10 mm
Prezzo riservato ai clienti abilitati.
  • Riferimento Figura: 16B
015194 DISPONIBILE
Cuscinetto standard 6201 diametro interno 12 mm
Prezzo riservato ai clienti abilitati.
  • Riferimento Figura: 17B
015195 DISPONIBILE
Impugnatura per aste decespugliatori diametro 28 mm
Prezzo riservato ai clienti abilitati.
  • Riferimento Figura: 1C
015196 DISPONIBILE
Asta interna di trasmissione diametro 8 mm per decespugliatori
Prezzo riservato ai clienti abilitati.
  • Riferimento Figura: 3C
015197 DISPONIBILE
Collare aggancio bretella per decespugliatori MAORI
Prezzo riservato ai clienti abilitati.
  • Riferimento Figura: 6C
008115 DISPONIBILE
Collare fissaggio asta per decespugliatori MAORI
Prezzo riservato ai clienti abilitati.
  • Riferimento Figura: 7C
008116 DISPONIBILE
Acceleratore per aste diametro 28 mm
Prezzo riservato ai clienti abilitati.
  • Riferimento Figura: 9C
015199 DATA DI ARRIVO IN DEFINIZIONE
Parasassi nudo per decespugliatori MAORI
Prezzo riservato ai clienti abilitati.
  • Riferimento Figura: 1D
008103 DISPONIBILE
Piastra supporto parasassi per decespugliatori MAORI
Prezzo riservato ai clienti abilitati.
  • Riferimento Figura: 3D
015200 DISPONIBILE
Protezione parasassi per decespugliatori MAORI
Prezzo riservato ai clienti abilitati.
  • Riferimento Figura: 4D
008105 DISPONIBILE
Bretella professionale con moschettone per decespugliatori MULTIMARCA
Prezzo riservato ai clienti abilitati.
  • Riferimento Figura: 12D
007206 DISPONIBILE
Occhiali
Prezzo riservato ai clienti abilitati.
  • Riferimento Figura: 14D
012094 DISPONIBILE
More more more Information
Nome prodotto Esploso ricambi Decespugliatore a scoppio MAORI ZENOAH GZ 45 N-S
Codice BM 014371ESP