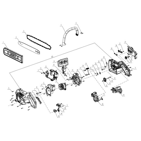
Esploso ricambi Motosega a batteria EGO CS 1400E

Esploso ricambi Motosega a batteria EGO CS 1400E

The wishlist name can't be left blank
Esploso ricambi Motosega a batteria EGO CS 1600E

Esploso ricambi Motosega a batteria EGO CS 1600E

Esploso ricambi Motosega elettrica TECKGARD TGE 1800 EL

Esploso ricambi Motosega elettrica TECKGARD TGE 1800 EL

Esploso ricambi Motosega a batteria EGO CS 1400E

0,20 €
Codice BM
028120ESP
Elementi prodotti raggruppati
Miniatura Nome prodotto Codice Disponibilità Qta
Motosega a batteria EGO CS 1400E
Prezzo riservato ai clienti EGOPoint.
028120 DATA DI ARRIVO IN DEFINIZIONE
Copribarra EGO
Prezzo riservato ai clienti EGOPoint.
  • Riferimento Figura: 1
035279 DISPONIBILE
Barra 14" passo 3/8" LP AG 1400 per motosega EGO CS 1400E
Prezzo riservato ai clienti EGOPoint.
  • Riferimento Figura: 2
035280 DISPONIBILE
Catena AC 1400 35 cm per motosega EGO CS 1400E
Prezzo riservato ai clienti EGOPoint.
  • Riferimento Figura: 3
035281 DISPONIBILE
Impugnatura tubolare per motoseghe EGO CS 1400E
Prezzo riservato ai clienti EGOPoint.
  • Riferimento Figura: 4
035282 DISPONIBILE
Viti EGO CS 1400E - LM 2001E
Prezzo riservato ai clienti EGOPoint.
  • Riferimento Figura: 5
035028 DISPONIBILE
Leva acceleratore per motoseghe EGO CS 1400E
Prezzo riservato ai clienti EGOPoint.
  • Riferimento Figura: 6
035284 DISPONIBILE
Pulsante sicurezza acceleratore per motoseghe EGO CS 1400E
Prezzo riservato ai clienti EGOPoint.
  • Riferimento Figura: 7
035285 DISPONIBILE
Molla pulsante sicurezza EGO CS 1400E
Prezzo riservato ai clienti EGOPoint.
  • Riferimento Figura: 8
035286 DISPONIBILE
Deflettore motore per motoseghe EGO CS 1400E
Prezzo riservato ai clienti EGOPoint.
  • Riferimento Figura: 9
035287 DISPONIBILE
Motore elettrico per motoseghe EGO CS 1400E
Prezzo riservato ai clienti EGOPoint.
  • Riferimento Figura: 10
035288 DISPONIBILE
Supporto cavo elettrico per motosega EGO CS 1400E
Prezzo riservato ai clienti EGOPoint.
  • Riferimento Figura: 11
035289 DISPONIBILE
Assemblaggio elettrico per motoseghe EGO 2830039002
Prezzo riservato ai clienti EGOPoint.
  • Riferimento Figura: 12
035290 DISPONIBILE
Piastra leva freno catena per motoseghe a batteria EGO CS 1400E
Prezzo riservato ai clienti EGOPoint.
  • Riferimento Figura: 13
035291 DISPONIBILE
Leva freno catena per motoseghe a batteria EGO CS 1400E
Prezzo riservato ai clienti EGOPoint.
  • Riferimento Figura: 14
035292 DISPONIBILE
Supporto motore elettrico EGO CS 1400E
Prezzo riservato ai clienti EGOPoint.
  • Riferimento Figura: 15
035293 DISPONIBILE
Vite EGO CS 1400E
Prezzo riservato ai clienti EGOPoint.
  • Riferimento Figura: 16
035294 DISPONIBILE
Vite EGO CS 1400E-PH 1400E
Prezzo riservato ai clienti EGOPoint.
  • Riferimento Figura: 17
035127 DISPONIBILE
Ancoraggio del cavo EGO CS 1400E
Prezzo riservato ai clienti EGOPoint.
  • Riferimento Figura: 18
035296 DATA DI ARRIVO IN DEFINIZIONE
Albero pignone per motoseghe EGO CS 1400E
Prezzo riservato ai clienti EGOPoint.
  • Riferimento Figura: 19
035297 DISPONIBILE
Piastra feltro per motoseghe EGO CS 1400E
Prezzo riservato ai clienti EGOPoint.
  • Riferimento Figura: 20
035298 DISPONIBILE
Spugna filtro aria per motoseghe EGO CS 1400E
Prezzo riservato ai clienti EGOPoint.
  • Riferimento Figura: 21
035299 DISPONIBILE
Bullone esagonale motoseghe EGO CS 1400E
Prezzo riservato ai clienti EGOPoint.
  • Riferimento Figura: 22
035300 DISPONIBILE
Morsetto per fissaggio motoseghe EGO CS 1400E
Prezzo riservato ai clienti EGOPoint.
  • Riferimento Figura: 23
035301 DISPONIBILE
Molla lamella per motoseghe EGO CS 1400E
Prezzo riservato ai clienti EGOPoint.
  • Riferimento Figura: 24
035302 DISPONIBILE
Tendicatena per motoseghe EGO CS 1400E
Prezzo riservato ai clienti EGOPoint.
  • Riferimento Figura: 25
035303 DISPONIBILE
Piastra tendicatena motosega EGO CS 1400E
Prezzo riservato ai clienti EGOPoint.
  • Riferimento Figura: 26
035304 DISPONIBILE
Carter catena per motoseghe EGO CS 1400E
Prezzo riservato ai clienti EGOPoint.
  • Riferimento Figura: 27
035305 IN ARRIVO
Data di ARRIVO 28 mag 2026
Seeger EGO CS 1400E
Prezzo riservato ai clienti EGOPoint.
  • Riferimento Figura: 28
035306 DISPONIBILE
Rondella pignone catena EGO CS 1400E
Prezzo riservato ai clienti EGOPoint.
  • Riferimento Figura: 29
035307 DISPONIBILE
Pignone catena per motoseghe EGO CS 1400E
Prezzo riservato ai clienti EGOPoint.
  • Riferimento Figura: 30
035308 DISPONIBILE
Rondella motoseghe EGO CS 1400E
Prezzo riservato ai clienti EGOPoint.
  • Riferimento Figura: 31
035309 DISPONIBILE
Spinotto per pistone diametro 6 mm per decespugliatori EGO CS 1400E
Prezzo riservato ai clienti EGOPoint.
  • Riferimento Figura: 32
035310 DISPONIBILE
Ingranaggio albero pignone per motoseghe EGO CS 1400E
Prezzo riservato ai clienti EGOPoint.
  • Riferimento Figura: 33
035311 DISPONIBILE
Supporto batteria per motoseghe EGO CS 1400E
Prezzo riservato ai clienti EGOPoint.
  • Riferimento Figura: 34
035312 DISPONIBILE
Serbatoio olio per motoseghe EGO CS 1400E
Prezzo riservato ai clienti EGOPoint.
  • Riferimento Figura: 35
035313 DISPONIBILE
Supporto sgancio batteria per motoseghe EGO
Prezzo riservato ai clienti EGOPoint.
  • Riferimento Figura: 36
035314 DISPONIBILE
Molla pulsante blocco batteria per soffiatori EGO LB 5300E
Prezzo riservato ai clienti EGOPoint.
  • Riferimento Figura: 37
035116 DISPONIBILE
Pulsante blocco batteria per motoseghe EGO
Prezzo riservato ai clienti EGOPoint.
  • Riferimento Figura: 38
035316 DISPONIBILE
Pulsante sgancio batteria per motoseghe EGO
Prezzo riservato ai clienti EGOPoint.
  • Riferimento Figura: 39
035317 DISPONIBILE
Kit carter per motoseghe EGO CS 1400E
Prezzo riservato ai clienti EGOPoint.
  • Riferimento Figura: 201
035318 DISPONIBILE
More more more Information
Nome prodotto Esploso ricambi Motosega a batteria EGO CS 1400E
Codice BM 028120ESP