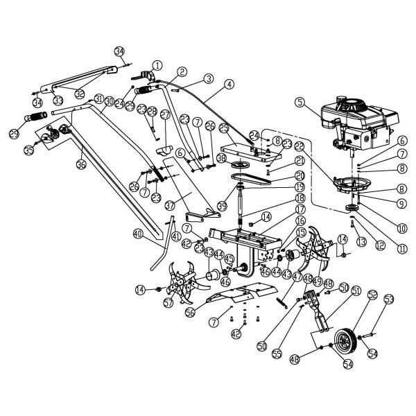
Esploso ricambi Motozappa a scoppio GREEN TILLER 4T

Esploso ricambi Motozappa a scoppio GREEN TILLER 4T

The wishlist name can't be left blank
Esploso ricambi Motozappa a scoppio PROGREEN PGT 4018

Esploso ricambi Motozappa a scoppio PROGREEN PGT 4018

Esploso ricambi Motozappa a scoppio DY GT - 02 A

Esploso ricambi Motozappa a scoppio DY GT - 02 A

Esploso ricambi Motozappa a scoppio GREEN TILLER 4T

7,00 €
Codice BM
014410ESP
Elementi prodotti raggruppati
Miniatura Nome prodotto Codice Disponibilità Qta
Leva innesto semovenza per motozappe GREEN LINE
Prezzo riservato ai clienti abilitati.
  • Riferimento Figura: 1
014891 DISPONIBILE
Cinghia TRAPEZOIDALE sezione 3L - Z type 25 3/8 pollici per motozappe GREEN LINE
Prezzo riservato ai clienti abilitati.
  • Riferimento Figura: 20
014846 IN ARRIVO
Data di ARRIVO 11 mag 2026
SUPPORTO MOTORE MOTOZAPPA
Prezzo riservato ai clienti abilitati.
  • Riferimento Figura: 22
017314 DISPONIBILE
COPERCHIO SCATOLA CAMBIO MOTOZAPPA
Prezzo riservato ai clienti abilitati.
  • Riferimento Figura: 25
017317 DISPONIBILE
Supporto guida stegole per motozappe DAYE - DAYEE
Prezzo riservato ai clienti abilitati.
  • Riferimento Figura: 27
017310 DISPONIBILE
Manopola impugnatura per motozappe DAYE - DAYEE
Prezzo riservato ai clienti abilitati.
  • Riferimento Figura: 29
017309 DISPONIBILE
Puleggia per motozappe GREEN LINE diametro esterno 105.5 mm
Prezzo riservato ai clienti abilitati.
  • Riferimento Figura: 38
017311 DISPONIBILE
Coltello destro e sinistro per motozappe DAYE - DAYEE
Prezzo riservato ai clienti abilitati.
  • Riferimento Figura: 49 + 57
014893 DISPONIBILE
Ruota trasferimento diametro 145 mm per motozappe DAYE - DAYEE
Prezzo riservato ai clienti abilitati.
  • Riferimento Figura: 52
017318 DISPONIBILE
More more more Information
Nome prodotto Esploso ricambi Motozappa a scoppio GREEN TILLER 4T
Codice BM 014410ESP