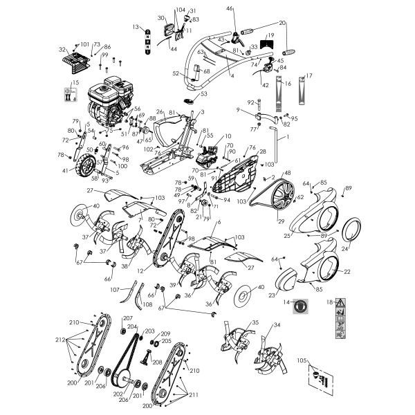
Esploso ricambi Motozappa a scoppio PUBERT VARIO 40 H C3

Esploso ricambi Motozappa a scoppio PUBERT VARIO 40 H C3

The wishlist name can't be left blank
Esploso ricambi Motozappa a scoppio PUBERT QUATRO JUNIOR 55 H

Esploso ricambi Motozappa a scoppio PUBERT QUATRO JUNIOR 55 H

Esploso ricambi Motozappa a scoppio PUBERT VARIO 60 B C3

Esploso ricambi Motozappa a scoppio PUBERT VARIO 60 B C3

Esploso ricambi Motozappa a scoppio PUBERT VARIO 40 H C3

0,80 €
Codice BM
022367ESP
Elementi prodotti raggruppati
Miniatura Nome prodotto Codice Disponibilità Qta
3502010320 BEQUILLE Ø16
Prezzo riservato ai clienti abilitati.
  • Riferimento Figura: P01-1
034379 DISPONIBILE
3003210010 BUTEE SNAP IN
Prezzo riservato ai clienti abilitati.
  • Riferimento Figura: P01-2
034795 DISPONIBILE
3002210303 AILE PROTECTION DROITE M0701
Prezzo riservato ai clienti abilitati.
  • Riferimento Figura: P01-7
034798 DISPONIBILE
3002210202 LEVIER EMBR 98x117
Prezzo riservato ai clienti abilitati.
  • Riferimento Figura: P01-8
034799 DISPONIBILE
3002000322 CORPS EPERON REGL. M0701
Prezzo riservato ai clienti abilitati.
  • Riferimento Figura: P01-9
034157 DISPONIBILE
3001000057 BOITE DE VITESSE F0603
Prezzo riservato ai clienti abilitati.
  • Riferimento Figura: P01-10
034129 DISPONIBILE
3001000055 COMMANDE VITESSE F0603
Prezzo riservato ai clienti abilitati.
  • Riferimento Figura: P01-11
034800 DISPONIBILE
3001000050 CARTER 8/37 BOULONNE BV
Prezzo riservato ai clienti abilitati.
  • Riferimento Figura: P01-12
034128 DISPONIBILE
0341000068 POIGNEE ELASTO D25
Prezzo riservato ai clienti abilitati.
  • Riferimento Figura: P01-20
033831 DISPONIBILE
0341000003 PULEGGIA GALOPPINO PUBERT
Prezzo riservato ai clienti abilitati.
  • Riferimento Figura: P01-21
033778 DATA DI ARRIVO IN DEFINIZIONE
0340010174 CAPOT COURROIE M0701 DECOUPE
Prezzo riservato ai clienti abilitati.
  • Riferimento Figura: P01-22
034802 DISPONIBILE
0340010113 DISQUE HABILLAGE CREUX M0701
Prezzo riservato ai clienti abilitati.
  • Riferimento Figura: P01-24
033544 DISPONIBILE
0340010115 CAPOT COURROIE M0701
Prezzo riservato ai clienti abilitati.
  • Riferimento Figura: P01-25
033546 DATA DI ARRIVO IN DEFINIZIONE
0340010114 CAPOT DROIT M0701
Prezzo riservato ai clienti abilitati.
  • Riferimento Figura: P01-26
033545 DISPONIBILE
0340010117 ENSEMBLE EXT TOLE PROT M0701
Prezzo riservato ai clienti abilitati.
  • Riferimento Figura: P01-27
033548 DATA DI ARRIVO IN DEFINIZIONE
0340010109 CACHE INTERIEUR M0701
Prezzo riservato ai clienti abilitati.
  • Riferimento Figura: P01-28
033542 DISPONIBILE
0340010105 POULIE DIAM 260 M0701
Prezzo riservato ai clienti abilitati.
  • Riferimento Figura: P01-29
033541 DISPONIBILE
0340000012 COQUE LEVIER DE VIT M0701
Prezzo riservato ai clienti abilitati.
  • Riferimento Figura: P01-30
033459 DISPONIBILE
0340000011 POMMEAU LEVIER DE VIT M0701
Prezzo riservato ai clienti abilitati.
  • Riferimento Figura: P01-31
033458 DISPONIBILE
Interruttore stop per motozappe PUBERT - JARDIMECA
Prezzo riservato ai clienti abilitati.
  • Riferimento Figura: P01-33
033438 DISPONIBILE
0320010020 FRESA SINISTRA MONOD25
Prezzo riservato ai clienti abilitati.
  • Riferimento Figura: P01-34
033403 DISPONIBILE
0320010019 FRESA DESTRA MONO D25
Prezzo riservato ai clienti abilitati.
  • Riferimento Figura: P01-35
033402 DISPONIBILE
0320010008 FRESA SINISTRA ADDIT HEL 40X4
Prezzo riservato ai clienti abilitati.
  • Riferimento Figura: P01-36
033391 DISPONIBILE
0320010007 FRESA DESTRA ADDIT HEL 40X4
Prezzo riservato ai clienti abilitati.
  • Riferimento Figura: P01-37
033390 DISPONIBILE
0320010006 FRESA DESTRA DEM HEL 40X4
Prezzo riservato ai clienti abilitati.
  • Riferimento Figura: P01-38
033389 DATA DI ARRIVO IN DEFINIZIONE
0320010005 FRESA SINISTRA DEM HEL 40X4
Prezzo riservato ai clienti abilitati.
  • Riferimento Figura: P01-39
033388 DATA DI ARRIVO IN DEFINIZIONE
Disco proteggipiante per motozappe PUBERT
Prezzo riservato ai clienti abilitati.
  • Riferimento Figura: P01-40
033386 DISPONIBILE
Ruota diametro 200 mm per motozappe PUBERT
Prezzo riservato ai clienti abilitati.
  • Riferimento Figura: P01-41
033384 DISPONIBILE
Cavo Acceleratore per motozappe PUBERT 0308040050
Prezzo riservato ai clienti abilitati.
  • Riferimento Figura: P01-42
033324 DISPONIBILE
Cavo Azionamento zappe per motozappe PUBERT 0308020052
Prezzo riservato ai clienti abilitati.
  • Riferimento Figura: P01-43
033267 DISPONIBILE
Cavo Marcia per motozappe PUBERT 03080010012
Prezzo riservato ai clienti abilitati.
  • Riferimento Figura: P01-44
033216 DISPONIBILE
0307020023 MANETTE GAZ
Prezzo riservato ai clienti abilitati.
  • Riferimento Figura: P01-45
033205 DISPONIBILE
0307010034 LEVIER EMB LAKS C27 GUID D25
Prezzo riservato ai clienti abilitati.
  • Riferimento Figura: P01-46
033179 DISPONIBILE
0306060005 POULIE MOT D55 ALES 19,06
Prezzo riservato ai clienti abilitati.
  • Riferimento Figura: P01-47
033119 DISPONIBILE
Cinghia TRAPEZOIDALE LA45 per motozappe PUBERT
Prezzo riservato ai clienti abilitati.
  • Riferimento Figura: P01-48
033062 DISPONIBILE
0305020005 RESSORT CP 21 25/10 GALVA
Prezzo riservato ai clienti abilitati.
  • Riferimento Figura: P01-49
032939 DISPONIBILE
0303000024 ENTRETOISE POIGNEE SERRAGE H1
Prezzo riservato ai clienti abilitati.
  • Riferimento Figura: P01-52
032871 DISPONIBILE
0303000023 RONDELLE CRANTE M0701
Prezzo riservato ai clienti abilitati.
  • Riferimento Figura: P01-53
032870 DISPONIBILE
0302020081 ENTR. 20X12.5x61.5 xPOM
Prezzo riservato ai clienti abilitati.
  • Riferimento Figura: P01-58
032796 DISPONIBILE
0302020020 ENTRET. LEV EMB xMECAx PA6.6
Prezzo riservato ai clienti abilitati.
  • Riferimento Figura: P01-59
032754 DISPONIBILE
0302010021 AXE FIXATION POULIE INVERSEUR
Prezzo riservato ai clienti abilitati.
  • Riferimento Figura: P01-61
032674 DISPONIBILE
0301070026 ANNEAU ELASTIQUE RADIAL DIAM1
Prezzo riservato ai clienti abilitati.
  • Riferimento Figura: P01-62
032650 DISPONIBILE
0301050003 CLIP EJOT EASYboss 40x25x7
Prezzo riservato ai clienti abilitati.
  • Riferimento Figura: P01-64
032633 DISPONIBILE
0301040001 CLAVET-PARAL-C45K-B-5X5X40
Prezzo riservato ai clienti abilitati.
  • Riferimento Figura: P01-65
032615 DISPONIBILE
0301010014 COPPIGLIA CLIPS 10 x 36
Prezzo riservato ai clienti abilitati.
  • Riferimento Figura: P01-66
032589 DISPONIBILE
0301010013 COPPIGLIA CLIPS 8 x 36
Prezzo riservato ai clienti abilitati.
  • Riferimento Figura: P01-67
032588 DISPONIBILE
0300801401 POIGNEE SERRAGE M14x150
Prezzo riservato ai clienti abilitati.
  • Riferimento Figura: P01-68
032568 DISPONIBILE
0300430801 RONDEL CONTACT NFE25511-8X16
Prezzo riservato ai clienti abilitati.
  • Riferimento Figura: P01-69
032530 DISPONIBILE
0300410602 RONDELLE PLATE-6,4X20X2,5
Prezzo riservato ai clienti abilitati.
  • Riferimento Figura: P01-70
032512 DATA DI ARRIVO IN DEFINIZIONE
0300401201 ROND-NFE25513-M-13X27X2,5
Prezzo riservato ai clienti abilitati.
  • Riferimento Figura: P01-71
032505 DISPONIBILE
0300400802 ROND-NFE25513-M-8,4X18X1,5
Prezzo riservato ai clienti abilitati.
  • Riferimento Figura: P01-72
032500 DISPONIBILE
0300400602 ROND-NFE25513-M-6,4X14X1,2
Prezzo riservato ai clienti abilitati.
  • Riferimento Figura: P01-73
032496 DISPONIBILE
0300260601 ECR-EMB CR-SEL6923-8-CLÉ10-M6
Prezzo riservato ai clienti abilitati.
  • Riferimento Figura: P01-76
032490 DISPONIBILE
0300211402 ECROU-FR-BN-DIN985-CLÉ22-M14
Prezzo riservato ai clienti abilitati.
  • Riferimento Figura: P01-77
032479 DISPONIBILE
0300211201 ECROU-FR-BN-DIN985-CLÉ19-M12
Prezzo riservato ai clienti abilitati.
  • Riferimento Figura: P01-78
032477 DISPONIBILE
0300211001 ECROU-FR-BN-DIN985-CLÉ17-M10
Prezzo riservato ai clienti abilitati.
  • Riferimento Figura: P01-79
032476 DISPONIBILE
0300210802 ECROU-FR-BN-DIN985-CLÉ13-M8
Prezzo riservato ai clienti abilitati.
  • Riferimento Figura: P01-80
032474 DISPONIBILE
0300070405 VIS-TOLE-TCB-EMB-CR-4,2X16
Prezzo riservato ai clienti abilitati.
  • Riferimento Figura: P01-85
032418 DISPONIBILE
0300040801 VIS-STHC-ISO4027-45H-4-M8X16
Prezzo riservato ai clienti abilitati.
  • Riferimento Figura: P01-88
032395 DISPONIBILE
0300011401 VIS-DIN931-8.8-CLÉ22-M14X90
Prezzo riservato ai clienti abilitati.
  • Riferimento Figura: P01-92
032354 DISPONIBILE
0300011206 VIS-DIN931-8.8-CLÉ19-M12X80
Prezzo riservato ai clienti abilitati.
  • Riferimento Figura: P01-93
032343 DISPONIBILE
0300011205 VIS H 12 X 60/30 N DIN931/8.8
Prezzo riservato ai clienti abilitati.
  • Riferimento Figura: P01-94
032342 DISPONIBILE
0300011007 VIS-DIN931-8.8-CLÉ17-M10X55
Prezzo riservato ai clienti abilitati.
  • Riferimento Figura: P01-96
032319 DISPONIBILE
0300010817 VIS-TH-EMB CR-8.8-CLÉ13-M8X40
Prezzo riservato ai clienti abilitati.
  • Riferimento Figura: P01-99
032290 DISPONIBILE
0300010610 VIS-TH-EMB CR-8.8-CLÉ10-M6X20
Prezzo riservato ai clienti abilitati.
  • Riferimento Figura: P01-102
032268 DATA DI ARRIVO IN DEFINIZIONE
0300010609 VIS-TH-EMB CR-8.8-CLÉ10-M6X16
Prezzo riservato ai clienti abilitati.
  • Riferimento Figura: P01-103
032267 DISPONIBILE
0102000020 OLIO 2L SAE 80-90
Prezzo riservato ai clienti abilitati.
  • Riferimento Figura: P01-106
032231 DISPONIBILE
Coltello sinistro per motozappe PUBERT
Prezzo riservato ai clienti abilitati.
  • Riferimento Figura: P01-107
031027 DISPONIBILE
Coltello destro per motozappe PUBERT
Prezzo riservato ai clienti abilitati.
  • Riferimento Figura: P01-108
031026 DISPONIBILE
3002210308 JOUE DE CARTER 8/37
Prezzo riservato ai clienti abilitati.
  • Riferimento Figura: P01-200
034307 DISPONIBILE
0341000059 JOINT PU CARTER 1/5 (0 62/0
Prezzo riservato ai clienti abilitati.
  • Riferimento Figura: P01-201
033829 DISPONIBILE
0306050045 ARBRE DE TRAVAIL 37DTS 12.7
Prezzo riservato ai clienti abilitati.
  • Riferimento Figura: P01-202
033113 DISPONIBILE
0306050016 PIGNON 8 DTS 12.7 SIMPLE
Prezzo riservato ai clienti abilitati.
  • Riferimento Figura: P01-203
033092 DISPONIBILE
0306020026 CHAINE ISO 08B-1 12.7 (78M)
Prezzo riservato ai clienti abilitati.
  • Riferimento Figura: P01-204
033009 DISPONIBILE
0306010037 ROULEMENT 6906 2RS
Prezzo riservato ai clienti abilitati.
  • Riferimento Figura: P01-205
032981 DISPONIBILE
0306010020 ROULEMENT 6305 2 RS
Prezzo riservato ai clienti abilitati.
  • Riferimento Figura: P01-206
032968 DISPONIBILE
0306010016 ROULEMENT EPAULE 6204 2RS
Prezzo riservato ai clienti abilitati.
  • Riferimento Figura: P01-207
032965 DISPONIBILE
0303000029 ENTRETOISE 3PTS CARTER 8/37
Prezzo riservato ai clienti abilitati.
  • Riferimento Figura: P01-208
032874 DISPONIBILE
0303000026 ENTR. ZAMAK 34.5x16x9
Prezzo riservato ai clienti abilitati.
  • Riferimento Figura: P01-209
032872 DISPONIBILE
0300210602 ECROU-FR-BN-DIN985-CLÉ10-M6
Prezzo riservato ai clienti abilitati.
  • Riferimento Figura: P01-81
032473 DISPONIBILE
3001000058 TOLE SELECTEUR VIT. SERTI
Prezzo riservato ai clienti abilitati.
  • Riferimento Figura: P02-300
034807 DISPONIBILE
0343020003 JOINT A LEVRE 15X28X4 NBR DL
Prezzo riservato ai clienti abilitati.
  • Riferimento Figura: P02-301
033855 DISPONIBILE
0343020002 JOINT A LEVRE 30X40X7 NBR DL
Prezzo riservato ai clienti abilitati.
  • Riferimento Figura: P02-302
033854 DISPONIBILE
0343010004 JOINT TORIQUE D INT 16 TORE 2
Prezzo riservato ai clienti abilitati.
  • Riferimento Figura: P02-304
033852 DISPONIBILE
0340000010 GUIDE FOURCHETTE F0603
Prezzo riservato ai clienti abilitati.
  • Riferimento Figura: P02-306
033457 DISPONIBILE
0340000009 SELECTEUR DE VITESSE F0603
Prezzo riservato ai clienti abilitati.
  • Riferimento Figura: P02-307
033456 DISPONIBILE
0306050044 PIGNON BALADEUR F0603 26DTS M
Prezzo riservato ai clienti abilitati.
  • Riferimento Figura: P02-310
033112 DISPONIBILE
0306050040 PIGNON SORTIE F0603 31DTS M2.
Prezzo riservato ai clienti abilitati.
  • Riferimento Figura: P02-313
033108 DISPONIBILE
0306010040 ROULEMENT 6810
Prezzo riservato ai clienti abilitati.
  • Riferimento Figura: P02-314
032984 DISPONIBILE
0306010039 ROULEMENT 6813
Prezzo riservato ai clienti abilitati.
  • Riferimento Figura: P02-315
032983 DISPONIBILE
0306010038 ROULEMENT 6202
Prezzo riservato ai clienti abilitati.
  • Riferimento Figura: P02-316
032982 DISPONIBILE
0305020015 RESSORT CP 9x15 12/10 GALVA
Prezzo riservato ai clienti abilitati.
  • Riferimento Figura: P02-317
032942 DISPONIBILE
0302010110 ARBRE ENTREE F0603
Prezzo riservato ai clienti abilitati.
  • Riferimento Figura: P02-320
032735 DISPONIBILE
0302010109 ARBRE SORTIE F0603
Prezzo riservato ai clienti abilitati.
  • Riferimento Figura: P02-321
032734 DISPONIBILE
SPINA ELASTICA PUBERT 6X28
Prezzo riservato ai clienti abilitati.
  • Riferimento Figura: P02-323
032608 DISPONIBILE
0300090403 VIS TORX WN 1452 K40x20
Prezzo riservato ai clienti abilitati.
  • Riferimento Figura: P02-325
032443 DISPONIBILE
More more more Information
Nome prodotto Esploso ricambi Motozappa a scoppio PUBERT VARIO 40 H C3
Codice BM 022367ESP