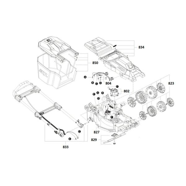
Esploso ricambi Rasaerba SKIL 0140 BA 43 cm + 2 batterie al litio 20 V 4.0 Ah e caricabatterie standard 2.4 A

Esploso ricambi Rasaerba SKIL 0140 BA 43 cm + 2 batterie al litio 20 V 4.0 Ah e caricabatterie standard 2.4 A

The wishlist name can't be left blank
Esploso ricambi Rasaerba a batteria SKIL 0180 AA 49 cm + 1 batteria al litio 40 V 5.0 Ah e caricabatterie rapido 6.0 A

Esploso ricambi Rasaerba a batteria SKIL 0180 AA 49 cm + 1 batteria al litio 40 V 5.0 Ah e caricabatterie rapido 6.0 A

Esploso ricambi Rasaerba a batteria SKIL 0130 CA 34 cm

Esploso ricambi Rasaerba a batteria SKIL 0130 CA 34 cm

Esploso ricambi Rasaerba SKIL 0140 BA 43 cm + 2 batterie al litio 20 V 4.0 Ah e caricabatterie standard 2.4 A

13,00 €
Codice BM
059800ESP
Elementi prodotti raggruppati
Miniatura Nome prodotto Codice Disponibilità Qta
Rasaerba SKIL 0140 BA 43 cm + 2 batterie al litio 20 V 4.0 Ah e caricabatterie standard 2.4 A
Prezzo riservato ai clienti abilitati.
059800 DISPONIBILE
Motore elettrico per rasaerba SKIL 0140
Prezzo riservato ai clienti abilitati.
  • Riferimento Figura: 802
060246 DISPONIBILE
Assemblaggio elettrico per rasaerba SKIL 0140
Prezzo riservato ai clienti abilitati.
  • Riferimento Figura: 804
060247 DISPONIBILE
Kit ruote per rasaerba SKIL
Prezzo riservato ai clienti abilitati.
  • Riferimento Figura: 823
060164 DISPONIBILE
Kit lama per rasaerba a batteria SKIL 0140 BA
Prezzo riservato ai clienti abilitati.
  • Riferimento Figura: 829
060161 DISPONIBILE
STEGOLA CPL. SKIL 0140
Prezzo riservato ai clienti abilitati.
  • Riferimento Figura: 833
060249 DISPONIBILE
KIT SCOCCA SKIL 0140
Prezzo riservato ai clienti abilitati.
  • Riferimento Figura: 834
060251 DISPONIBILE
Sacco raccolta per rasaerba SKIL 0140
Prezzo riservato ai clienti abilitati.
  • Riferimento Figura: 850
060252 DISPONIBILE
More more more Information
Nome prodotto Esploso ricambi Rasaerba SKIL 0140 BA 43 cm + 2 batterie al litio 20 V 4.0 Ah e caricabatterie standard 2.4 A
Codice BM 059800ESP