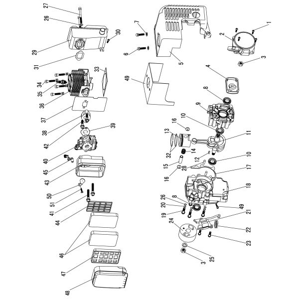
Esploso ricambi Soffiatore a scoppio GREEN LINE GB 700 A Eko

Esploso ricambi Soffiatore a scoppio GREEN LINE GB 700 A Eko

The wishlist name can't be left blank
Esploso ricambi Soffiatore aspiratore a scoppio GREENLINE GBV260EKO

Esploso ricambi Soffiatore aspiratore a scoppio GREENLINE GBV260EKO

Esploso ricambi Soffiatore aspiratore a scoppio GREENLINE GBV 245 Eko 4T

Esploso ricambi Soffiatore aspiratore a scoppio GREENLINE GBV 245 Eko 4T

Esploso ricambi Soffiatore a scoppio GREEN LINE GB 700 A Eko

0,40 €
Codice BM
017600ESP
Elementi prodotti raggruppati
Miniatura Nome prodotto Codice Disponibilità Qta
Avviamento completo per soffiatori GREEN LINE
Prezzo riservato ai clienti abilitati.
  • Riferimento Figura: 2
018241 IN ARRIVO
Data di ARRIVO 16 gen 2026
Trascinatore avviamento per soffiatori GREEN LINE
Prezzo riservato ai clienti abilitati.
  • Riferimento Figura: 4
018242 DISPONIBILE
Saltarello avviamento per soffiatori GREEN LINE
Prezzo riservato ai clienti abilitati.
018243 DISPONIBILE
Molla saltarelli avviamento per soffiatori GREEN LINE
Prezzo riservato ai clienti abilitati.
018244 DISPONIBILE
Cuffia motore per soffiatori GREEN LINE
Prezzo riservato ai clienti abilitati.
  • Riferimento Figura: 5
018273 DISPONIBILE
Albero motore per soffiatori GREEN LINE
Prezzo riservato ai clienti abilitati.
  • Riferimento Figura: 8 A 11+17+18
018274 DISPONIBILE
Paraolio per soffiatori GREEN LINE
Prezzo riservato ai clienti abilitati.
018245 DISPONIBILE
Carter motore lato avviamento per soffiatori GREEN LINE
Prezzo riservato ai clienti abilitati.
018246 DISPONIBILE
Albero motore per soffiatori GREEN LINE
Prezzo riservato ai clienti abilitati.
018248 DISPONIBILE
Carter motore lato frizione per soffiatori GREEN LINE
Prezzo riservato ai clienti abilitati.
018255 DISPONIBILE
Gabbia rulli per soffiatori GREEN LINE
Prezzo riservato ai clienti abilitati.
  • Riferimento Figura: 14
018250 DISPONIBILE
Cilindro completo per soffiatori GREEN LINE diametro 47 mm
Prezzo riservato ai clienti abilitati.
  • Riferimento Figura: 13+15+16+32+36
018275 DISPONIBILE
Pistone completo diametro 47 mm per soffiatori GREEN LINE
Prezzo riservato ai clienti abilitati.
  • Riferimento Figura: 13+15+16+32
018253 DISPONIBILE
Spinotto per pistone diametro 11 mm per soffiatori GREEN LINE
Prezzo riservato ai clienti abilitati.
018251 DISPONIBILE
Anello per spinotto pistoni diametro 11 mm GREEN LINE
Prezzo riservato ai clienti abilitati.
018252 DISPONIBILE
Kit Segmenti standard GREEN LINE diametro 47 mm
Prezzo riservato ai clienti abilitati.
018260 DISPONIBILE
Bobina accensione per soffiatori e motori GREEN LINE 8103
Prezzo riservato ai clienti abilitati.
  • Riferimento Figura: 21
018256 DISPONIBILE
Volano magnetico per soffiatori GREEN LINE
Prezzo riservato ai clienti abilitati.
  • Riferimento Figura: 24
018257 DISPONIBILE
Marmitta per soffiatori GREEN LINE
Prezzo riservato ai clienti abilitati.
  • Riferimento Figura: 29
018258 DISPONIBILE
Serie guarnizioni per soffiatori GREEN LINE
Prezzo riservato ai clienti abilitati.
  • Riferimento Figura: 17+31+33+37+39
018276 DISPONIBILE
Guarnizione carter motore per soffiatori GREEN LINE
Prezzo riservato ai clienti abilitati.
018254 DISPONIBILE
Guarnizione marmitta per soffiatori GREEN LINE
Prezzo riservato ai clienti abilitati.
018259 DISPONIBILE
Guarnizione cilindro per soffiatori GREEN LINE
Prezzo riservato ai clienti abilitati.
018261 DISPONIBILE
Guarnizione flangia termica per soffiatori GREEN LINE
Prezzo riservato ai clienti abilitati.
018263 DISPONIBILE
Guarnizione flangia termica per soffiatori GREEN LINE
Prezzo riservato ai clienti abilitati.
018266 DISPONIBILE
Flangia termica per soffiatori GREEN LINE
Prezzo riservato ai clienti abilitati.
  • Riferimento Figura: 38
038955 DISPONIBILE
Carburatore a membrana per soffiatori GREENLINE EB 700A
Prezzo riservato ai clienti abilitati.
  • Riferimento Figura: 40
038965 DISPONIBILE
Scatola filtro aria per soffiatori GREEN LINE
Prezzo riservato ai clienti abilitati.
  • Riferimento Figura: 43
038975 DISPONIBILE
Griglia filtro aria per soffiatori GREEN LINE
Prezzo riservato ai clienti abilitati.
  • Riferimento Figura: 44
018268 DISPONIBILE
Leva aria esterna per soffiatori GREEN LINE
Prezzo riservato ai clienti abilitati.
  • Riferimento Figura: 45
038985 DISPONIBILE
Spugna filtro aria per soffiatori GREEN LINE
Prezzo riservato ai clienti abilitati.
  • Riferimento Figura: 46
018269 IN ARRIVO
Data di ARRIVO 16 gen 2026
Griglia filtro aria per soffiatori GREEN LINE
Prezzo riservato ai clienti abilitati.
  • Riferimento Figura: 47
018270 DISPONIBILE
Coperchio filtro aria per soffiatori GREEN LINE
Prezzo riservato ai clienti abilitati.
  • Riferimento Figura: 48
018271 DISPONIBILE
Volano magnetico per soffiatori GREEN LINE
Prezzo riservato ai clienti abilitati.
  • Riferimento Figura: 49
018272 DISPONIBILE
Leva aria interna per soffiatori GREEN LINE
Prezzo riservato ai clienti abilitati.
  • Riferimento Figura: 50
038995 DISPONIBILE
Coppia bretelle per soffiatori GREEN LINE
Prezzo riservato ai clienti abilitati.
  • Riferimento Figura: 1
016453 DISPONIBILE
Clip fissaggio schienale per soffiatori GREEN LINE
Prezzo riservato ai clienti abilitati.
  • Riferimento Figura: 5
016693 DISPONIBILE
Schienale per soffiatori GREEN LINE
Prezzo riservato ai clienti abilitati.
  • Riferimento Figura: 6
016694 DISPONIBILE
Maniglia telaio per soffiatori GREEN LINE
Prezzo riservato ai clienti abilitati.
  • Riferimento Figura: 9
016692 DISPONIBILE
Telaio per soffiatori GREEN LINE
Prezzo riservato ai clienti abilitati.
  • Riferimento Figura: 10
016695 DISPONIBILE
Antivibrante per soffiatori GREEN LINE
Prezzo riservato ai clienti abilitati.
  • Riferimento Figura: 11
016696 DISPONIBILE
Supporto antivibrante per soffiatori GREEN LINE
Prezzo riservato ai clienti abilitati.
  • Riferimento Figura: 15
016697 DISPONIBILE
Telaio destro per soffiatori GREEN LINE
Prezzo riservato ai clienti abilitati.
  • Riferimento Figura: 16
016698 DISPONIBILE
Telaio sinistro per soffiatori GREEN LINE
Prezzo riservato ai clienti abilitati.
  • Riferimento Figura: 17
016699 DISPONIBILE
Tappo convogliatore per soffiatori GREEN LINE
Prezzo riservato ai clienti abilitati.
  • Riferimento Figura: 18
016700 DISPONIBILE
Convogliatore aria per soffiatori GREEN LINE
Prezzo riservato ai clienti abilitati.
  • Riferimento Figura: 20
017241 DISPONIBILE
Ventola per soffiatori GREEN LINE
Prezzo riservato ai clienti abilitati.
  • Riferimento Figura: 21
016702 DISPONIBILE
Convogliatore aria per soffiatori GREEN LINE
Prezzo riservato ai clienti abilitati.
  • Riferimento Figura: 22
017242 DISPONIBILE
Connettore tubi per soffiatori GREEN LINE
Prezzo riservato ai clienti abilitati.
  • Riferimento Figura: 23
016703 DISPONIBILE
Regolazione aria curva tubo per soffiatori GREEN LINE
Prezzo riservato ai clienti abilitati.
  • Riferimento Figura: 25
016715 DISPONIBILE
Leva regolazione flusso aria per soffiatori GREEN LINE
Prezzo riservato ai clienti abilitati.
  • Riferimento Figura: 26
017010 DISPONIBILE
Connettore tubi girevole per soffiatori GREEN LINE
Prezzo riservato ai clienti abilitati.
  • Riferimento Figura: 27
016704 DISPONIBILE
Tubo flessibile per soffiatori GREEN LINE
Prezzo riservato ai clienti abilitati.
  • Riferimento Figura: 29
016705 IN ARRIVO
Data di ARRIVO 16 gen 2026
Tubo flessibile per soffiatori GREEN LINE
Prezzo riservato ai clienti abilitati.
  • Riferimento Figura: 30
016706 DISPONIBILE
Tubo prolunga per soffiatori GREEN LINE
Prezzo riservato ai clienti abilitati.
  • Riferimento Figura: 31
016707 DISPONIBILE
Acceleratore diametro 69 mm per soffiatori
Prezzo riservato ai clienti abilitati.
  • Riferimento Figura: 32+34 A 45+48+49
018937 DISPONIBILE
Interruttore per soffiatori GREEN LINE
Prezzo riservato ai clienti abilitati.
  • Riferimento Figura: 35 A 37
016709 DISPONIBILE
Molla ritorno leva acceleratore per soffiatori GREEN LINE
Prezzo riservato ai clienti abilitati.
  • Riferimento Figura: 38
016710 DISPONIBILE
Leva acceleratore interna per soffiatori GREEN LINE
Prezzo riservato ai clienti abilitati.
  • Riferimento Figura: 43
016712 DISPONIBILE
Leva acceleratore esterna per soffiatori GREEN LINE
Prezzo riservato ai clienti abilitati.
  • Riferimento Figura: 44
016713 DISPONIBILE
Perno acceleratore esterno per soffiatori GREEN LINE
Prezzo riservato ai clienti abilitati.
  • Riferimento Figura: 45
016714 DISPONIBILE
Cavo Acceleratore per soffiatori GREEN LINE
Prezzo riservato ai clienti abilitati.
  • Riferimento Figura: 48
018331 DISPONIBILE
Piastra volano per soffiatori GREEN LINE
Prezzo riservato ai clienti abilitati.
  • Riferimento Figura: 50
018936 DISPONIBILE
Tappo serbatoio carburante per soffiatori e motori GREEN LINE
Prezzo riservato ai clienti abilitati.
  • Riferimento Figura: 52 A 55+57
016690 DISPONIBILE
Guarnizione valvola di sfiato tappo serbatoio per soffiatori e motori GREEN LINE
Prezzo riservato ai clienti abilitati.
016686 DISPONIBILE
Sede sfiato tappo carburante tappo serbatoio per soffiatori e motori GREEN LINE
Prezzo riservato ai clienti abilitati.
016687 DISPONIBILE
Valvola di sfiato tappo serbatoio per soffiatori e motori GREEN LINE
Prezzo riservato ai clienti abilitati.
016688 IN ARRIVO
Data di ARRIVO 30 mar 2026
Tappo serbatoio carburante per soffiatori GREEN LINE
Prezzo riservato ai clienti abilitati.
016689 DISPONIBILE
Valvola di sfiato tappo serbatoio per macchine GREEN LINE
Prezzo riservato ai clienti abilitati.
015270 IN ARRIVO
Data di ARRIVO 31 dic 2025
Serbatoio carburante per soffiatori GREEN LINE
Prezzo riservato ai clienti abilitati.
  • Riferimento Figura: 56
039005 DISPONIBILE
Passatubi per soffiatori GREEN LINE
Prezzo riservato ai clienti abilitati.
  • Riferimento Figura: 61
038960 DISPONIBILE
More more more Information
Nome prodotto Esploso ricambi Soffiatore a scoppio GREEN LINE GB 700 A Eko
Codice BM 017600ESP