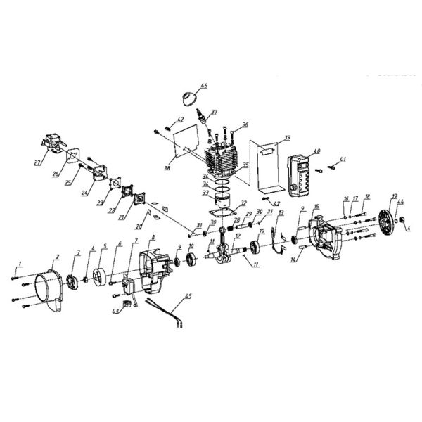
Esploso ricambi Soffiatore a zaino a scoppio ATTILA AEB 900

Esploso ricambi Soffiatore a zaino a scoppio ATTILA AEB 900

The wishlist name can't be left blank
Esploso ricambi Soffiatore a batteria EGO LB 4800 E

Esploso ricambi Soffiatore a batteria EGO LB 4800 E

Esploso ricambi Soffiatore a zaino a scoppio PROGREEN EB600A 2T

Esploso ricambi Soffiatore a zaino a scoppio PROGREEN EB600A 2T

Esploso ricambi Soffiatore a zaino a scoppio ATTILA AEB 900

1,20 €
Codice BM
026275ESP
Elementi prodotti raggruppati
Miniatura Nome prodotto Codice Disponibilità Qta
MOTORE CPL. EB900
Prezzo riservato ai clienti abilitati.
030269 DISPONIBILE
Avviamento completo per soffiatori ATTILA
Prezzo riservato ai clienti abilitati.
  • Riferimento Figura: 2
028195 DISPONIBILE
Trascinatore avviamento per soffiatori ATTILA
Prezzo riservato ai clienti abilitati.
  • Riferimento Figura: 3
029971 DISPONIBILE
Bobina accensione per soffiatori ATTILA
Prezzo riservato ai clienti abilitati.
  • Riferimento Figura: 7
030277 DISPONIBILE
Carter motore lato avviamento per soffiatori ATTILA
Prezzo riservato ai clienti abilitati.
  • Riferimento Figura: 8
030278 DISPONIBILE
Paraolio per soffiatori ATTILA
Prezzo riservato ai clienti abilitati.
  • Riferimento Figura: 9
030279 DISPONIBILE
Cuscinetto standard 6303 diametro interno 17 mm
Prezzo riservato ai clienti abilitati.
  • Riferimento Figura: 10
030280 DISPONIBILE
Chiavetta per soffiatori GREEN LINE
Prezzo riservato ai clienti abilitati.
  • Riferimento Figura: 11
030281 DISPONIBILE
Albero motore per soffiatori ATTILA
Prezzo riservato ai clienti abilitati.
  • Riferimento Figura: 12
030282 DISPONIBILE
Guarnizione carter motore per soffiatori ATTILA
Prezzo riservato ai clienti abilitati.
  • Riferimento Figura: 13
030283 DISPONIBILE
Carter motore lato avviamento per soffiatori ATTILA
Prezzo riservato ai clienti abilitati.
  • Riferimento Figura: 15
030284 DISPONIBILE
Piastra supporto ventola per soffiatori ATTILA
Prezzo riservato ai clienti abilitati.
  • Riferimento Figura: 19
030285 DISPONIBILE
Flangia termica per soffiatori ATTILA
Prezzo riservato ai clienti abilitati.
  • Riferimento Figura: 20 A 24
030286 DISPONIBILE
Guarnizione carburatore per soffiatori ATTILA
Prezzo riservato ai clienti abilitati.
  • Riferimento Figura: 26
030287 DISPONIBILE
Carburatore a membrana per soffiatori ATTILA
Prezzo riservato ai clienti abilitati.
  • Riferimento Figura: 27
030288 IN ARRIVO
Data di ARRIVO 16 gen 2026
Gabbia rulli per soffiatori ATTILA
Prezzo riservato ai clienti abilitati.
  • Riferimento Figura: 28
030289 DISPONIBILE
Cilindro completo per soffiatori ATTILA diametro 54 mm
Prezzo riservato ai clienti abilitati.
  • Riferimento Figura: 29 A 35
030291 DISPONIBILE
Guarnizione cilindro per soffiatori GREEN LINE
Prezzo riservato ai clienti abilitati.
  • Riferimento Figura: 32
030292 DISPONIBILE
Guarnizione cilindro per soffiatori ATTILA
Prezzo riservato ai clienti abilitati.
  • Riferimento Figura: 38
030293 DISPONIBILE
Guarnizione marmitta per soffiatori ATTILA
Prezzo riservato ai clienti abilitati.
  • Riferimento Figura: 39
030294 DISPONIBILE
Marmitta per soffiatori ATTILA
Prezzo riservato ai clienti abilitati.
  • Riferimento Figura: 40
030295 DISPONIBILE
Riparo candela per soffiatori ATTILA
Prezzo riservato ai clienti abilitati.
  • Riferimento Figura: 46
030296 DISPONIBILE
Schienale per soffiatori ATTILA
Prezzo riservato ai clienti abilitati.
  • Riferimento Figura: 6
030298 DISPONIBILE
Telaio schienale per soffiatori ATTILA
Prezzo riservato ai clienti abilitati.
  • Riferimento Figura: 7
030299 DISPONIBILE
Riparo ventola per soffiatori ATTILA
Prezzo riservato ai clienti abilitati.
  • Riferimento Figura: 9
030300 DISPONIBILE
Antivibrante per soffiatori ATTILA
Prezzo riservato ai clienti abilitati.
  • Riferimento Figura: 10
030301 DISPONIBILE
Convogliatore aria lato telaio per soffiatori ATTILA
Prezzo riservato ai clienti abilitati.
  • Riferimento Figura: 12
030302 DISPONIBILE
Antivibrante per soffiatori ATTILA
Prezzo riservato ai clienti abilitati.
  • Riferimento Figura: 13
030303 DISPONIBILE
Ventola per soffiatori ATTILA
Prezzo riservato ai clienti abilitati.
  • Riferimento Figura: 15
030304 DISPONIBILE
Convogliatore aria lato motore per soffiatori ATTILA
Prezzo riservato ai clienti abilitati.
  • Riferimento Figura: 16
030305 DISPONIBILE
Cuffia motore per soffiatori GREEN LINE
Prezzo riservato ai clienti abilitati.
  • Riferimento Figura: 17
030306 DISPONIBILE
Serbatoio nudo per soffiatori ATTILA
Prezzo riservato ai clienti abilitati.
  • Riferimento Figura: 19
030307 DISPONIBILE
Tappo serbatoio carburante per soffiatori ATTILA
Prezzo riservato ai clienti abilitati.
  • Riferimento Figura: 21 A 25
030308 DISPONIBILE
Kit Tubi carburante per soffiatori ATTILA
Prezzo riservato ai clienti abilitati.
  • Riferimento Figura: 27 A 28
030310 DISPONIBILE
Scatola filtro aria per soffiatori ATTILA
Prezzo riservato ai clienti abilitati.
  • Riferimento Figura: 30
030311 DISPONIBILE
Albero motore per soffiatori ATTILA
Prezzo riservato ai clienti abilitati.
  • Riferimento Figura: 32
030312 DISPONIBILE
Tubo carburante per soffiatori ATTILA
Prezzo riservato ai clienti abilitati.
  • Riferimento Figura: 33
030313 DISPONIBILE
Filtro aria per soffiatori ATTILA
Prezzo riservato ai clienti abilitati.
  • Riferimento Figura: 34
030314 DISPONIBILE
Coperchio filtro aria per soffiatori ATTILA
Prezzo riservato ai clienti abilitati.
  • Riferimento Figura: 35
030315 DISPONIBILE
Giunto girevole per soffiatori ATTILA
Prezzo riservato ai clienti abilitati.
  • Riferimento Figura: 37
030316 DISPONIBILE
Fascetta giunto tubo per soffiatori ATTILA
Prezzo riservato ai clienti abilitati.
  • Riferimento Figura: 38
030317 DISPONIBILE
Connettore tubi per soffiatori ATTILA
Prezzo riservato ai clienti abilitati.
  • Riferimento Figura: 39
030318 DISPONIBILE
Fascetta tubo flessibile per soffiatori ATTILA
Prezzo riservato ai clienti abilitati.
  • Riferimento Figura: 40
030319 DISPONIBILE
Connettore tubi per soffiatori ATTILA
Prezzo riservato ai clienti abilitati.
  • Riferimento Figura: 41
030320 DISPONIBILE
Tubo per soffiatori ATTILA
Prezzo riservato ai clienti abilitati.
  • Riferimento Figura: 42
030321 DISPONIBILE
Tubo centrale per soffiatori ATTILA
Prezzo riservato ai clienti abilitati.
  • Riferimento Figura: 43
030322 DISPONIBILE
Tubo terminale per soffiatori ATTILA
Prezzo riservato ai clienti abilitati.
  • Riferimento Figura: 44
030323 DISPONIBILE
Impugnatura acceleratore per soffiatori ATTILA
Prezzo riservato ai clienti abilitati.
  • Riferimento Figura: 45 A 49
030324 DISPONIBILE
Acceleratore diametro 18 mm per soffiatori
Prezzo riservato ai clienti abilitati.
  • Riferimento Figura: 50 A 66
030325 DISPONIBILE
More more more Information
Nome prodotto Esploso ricambi Soffiatore a zaino a scoppio ATTILA AEB 900
Codice BM 026275ESP