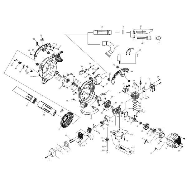
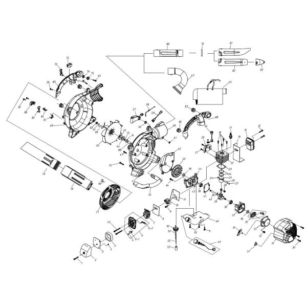
Esploso ricambi Soffiatore aspiratore a scoppio PROGREEN PG 260 BV

Esploso ricambi Soffiatore aspiratore a scoppio PROGREEN PG 260 BV

The wishlist name can't be left blank
Esploso ricambi Soffiatore aspiratore elettrico PROGREEN PG 2413 BLE

Esploso ricambi Soffiatore aspiratore elettrico PROGREEN PG 2413 BLE

Esploso ricambi Soffiatore aspiratore a scoppio ATTILA ATB 228

Esploso ricambi Soffiatore aspiratore a scoppio ATTILA ATB 228

Esploso ricambi Soffiatore aspiratore a scoppio PROGREEN PG 260 BV

Codice BM
052090ESP
Elementi prodotti raggruppati
Miniatura Nome prodotto Codice Disponibilità
Carburatore a membrana per soffiatori GREENLINE GB 260 - GBV 260
  • Riferimento Figura: 7
003211 DISPONIBILE
BOBINA ELETTRONICA SOF. PG 260 BV
  • Riferimento Figura: 20
063767 NON DISPONIBILE
AVVIAMENTO SOF. PG 260 BV
  • Riferimento Figura: 33
063778 DATA DI ARRIVO IN DEFINIZIONE
Cuscinetto standard 6201 diametro interno 12 mm
  • Riferimento Figura: 38
029354 DISPONIBILE
Guarnizione carter motore per decespugliatori TAYA - SANDRIGARDEN 2023140
  • Riferimento Figura: 41
003285 DISPONIBILE
Cavo acceleratore per soffiatori
  • Riferimento Figura: 58
063797 DISPONIBILE
More more more Information
Nome prodotto Esploso ricambi Soffiatore aspiratore a scoppio PROGREEN PG 260 BV
Codice BM 052090ESP