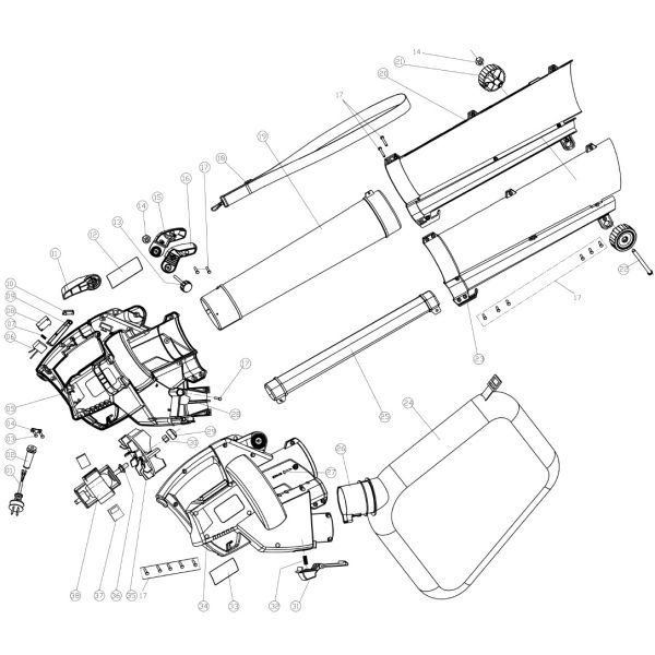
Esploso ricambi Soffiatore aspiratore elettrico BLX BXBL 2400 E

Esploso ricambi Soffiatore aspiratore elettrico BLX BXBL 2400 E

The wishlist name can't be left blank
Esploso ricambi Soffiatore aspiratore elettrico TECKGARD TGS 3000 EL

Esploso ricambi Soffiatore aspiratore elettrico TECKGARD TGS 3000 EL

Esploso ricambi Soffiatore aspiratore elettrico PROGREEN PG 2413 BLE

Esploso ricambi Soffiatore aspiratore elettrico PROGREEN PG 2413 BLE

Esploso ricambi Soffiatore aspiratore elettrico BLX BXBL 2400 E

Codice BM
060960ESP
Elementi prodotti raggruppati
Miniatura Nome prodotto Codice Disponibilità
CONDENSATORE SOFF. PG2413BLE
  • Riferimento Figura: 6
063579 DISPONIBILE
Microinterruttore impugnatura per soffiatore BLX
  • Riferimento Figura: 8
059074 DISPONIBILE
LEVA INTERRUTTORE SOFF. PG2413BLE
  • Riferimento Figura: 9
063581 DISPONIBILE
Regolatore velocità aria per aspiratori soffiatori BLX
  • Riferimento Figura: 10
059075 DISPONIBILE
Ruota per soffiatori BLX
  • Riferimento Figura: 21
059081 DISPONIBILE
Sacco raccolta per soffiatori/aspiratori PROGREEN
  • Riferimento Figura: 24
063587 IN ARRIVO
Data di ARRIVO 15 dic 2025
VENTOLA SOFF. PG2413BLE
  • Riferimento Figura: 35
063593 DISPONIBILE
More more more Information
Nome prodotto Esploso ricambi Soffiatore aspiratore elettrico BLX BXBL 2400 E
Codice BM 060960ESP