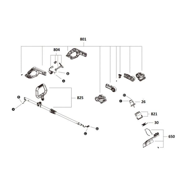
Esploso ricambi Tagliabordi a batteria SKIL 0240 AA 30 cm + batteria al litio 20 V 2.0 Ah e caricabatterie standard 2.4 A

Esploso ricambi Tagliabordi a batteria SKIL 0240 AA 30 cm + batteria al litio 20 V 2.0 Ah e caricabatterie standard 2.4 A

The wishlist name can't be left blank
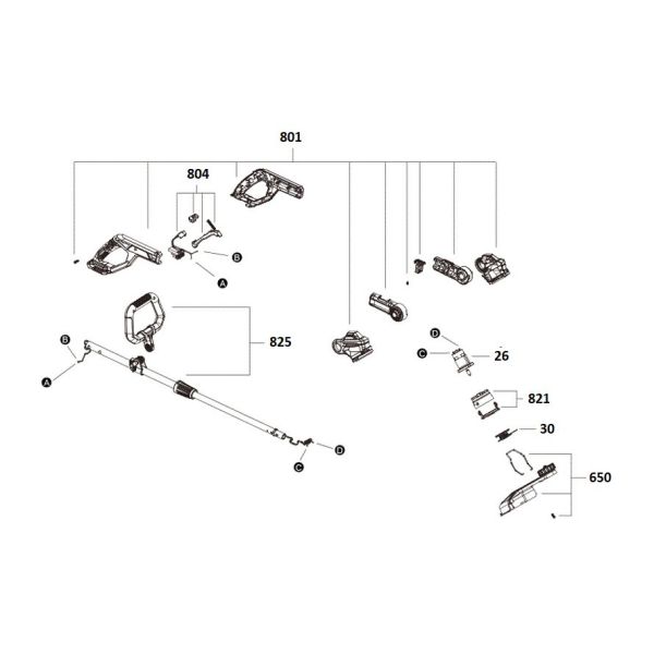
Esploso ricambi Tagliabordi a batteria SKIL 0240 20 V CA 30 cm

Esploso ricambi Tagliabordi a batteria SKIL 0240 20 V CA 30 cm

Esploso ricambi Tagliabordi a batteria SKIL 0230 CA 25 cm 20 V

Esploso ricambi Tagliabordi a batteria SKIL 0230 CA 25 cm 20 V

Esploso ricambi Tagliabordi a batteria SKIL 0240 AA 30 cm + batteria al litio 20 V 2.0 Ah e caricabatterie standard 2.4 A

3,10 €
Codice BM
059850ESP
Elementi prodotti raggruppati
Miniatura Nome prodotto Codice Disponibilità Qta
Motore elettrico per tagliabordi SKIL 0240
Prezzo riservato ai clienti abilitati.
  • Riferimento Figura: 26
060179 DISPONIBILE
Bobina filo per tagliabordi SKIL 0240
Prezzo riservato ai clienti abilitati.
  • Riferimento Figura: 30
060181 DISPONIBILE
Parasassi per tagliabordi SKIL 0240
Prezzo riservato ai clienti abilitati.
  • Riferimento Figura: 650
060182 DISPONIBILE
Kit carter impugnatura motore per tagliabordi SKIL 0240
Prezzo riservato ai clienti abilitati.
  • Riferimento Figura: 801
060183 DISPONIBILE
Assemblaggio elettrico per tagliabordi a batteria SKIL 0230 CA
Prezzo riservato ai clienti abilitati.
  • Riferimento Figura: 804
060176 DISPONIBILE
Testina per tagliabordi a batteria SKIL 0230 CA
Prezzo riservato ai clienti abilitati.
  • Riferimento Figura: 821
060177 DISPONIBILE
Tubo esterno per aste tagliabordi SKIL
Prezzo riservato ai clienti abilitati.
  • Riferimento Figura: 825
060184 DISPONIBILE
More more more Information
Nome prodotto Esploso ricambi Tagliabordi a batteria SKIL 0240 AA 30 cm + batteria al litio 20 V 2.0 Ah e caricabatterie standard 2.4 A
Codice BM 059850ESP