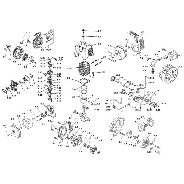
Esploso ricambi Tagliasiepi a scoppio MAORI MITSUBISHI MHD 550-L - TL201

Esploso ricambi Tagliasiepi a scoppio MAORI MITSUBISHI MHD 550-L - TL201

The wishlist name can't be left blank
Esploso ricambi Tagliasiepi a scoppio MAORI MITSUBISHI SHT750S

Esploso ricambi Tagliasiepi a scoppio MAORI MITSUBISHI SHT750S

Esploso ricambi Tagliasiepi a scoppio MAORI KAWASAKI MHD600T-TH23

Esploso ricambi Tagliasiepi a scoppio MAORI KAWASAKI MHD600T-TH23

Esploso ricambi Tagliasiepi a scoppio MAORI MITSUBISHI MHD 550-L - TL201

1,60 €
Codice BM
005940ESP
Elementi prodotti raggruppati
Miniatura Nome prodotto Codice Disponibilità Qta
Albero motore per motori MITSUBISHI
Prezzo riservato ai clienti abilitati.
017269 DISPONIBILE
Cuscinetto standard 6001 diametro interno 12 mm
Prezzo riservato ai clienti abilitati.
  • Riferimento Figura: 1.3
015193 DISPONIBILE
Paraolio per motori MITSUBISHI KW21005AA
Prezzo riservato ai clienti abilitati.
  • Riferimento Figura: 1.5
001821 IN ARRIVO
Data di ARRIVO 25 giu 2026
Cilindro completo per motori MITSUBISHI diametro 30 mm
Prezzo riservato ai clienti abilitati.
017268 NON DISPONIBILE
Non Disponibile
Pistone completo diametro 30 mm per motori MITSUBISHI
Prezzo riservato ai clienti abilitati.
017266 DISPONIBILE
Spinotto per pistone diametro 7 mm per motori MITSUBISHI
Prezzo riservato ai clienti abilitati.
  • Riferimento Figura: 2.3
017264 DISPONIBILE
Kit Segmenti standard MITSUBISHI diametro 30 mm
Prezzo riservato ai clienti abilitati.
  • Riferimento Figura: 3.4
003540 DISPONIBILE
Anello per spinotto pistoni diametro 7 mm MITSUBISHI
Prezzo riservato ai clienti abilitati.
  • Riferimento Figura: 3.5
017265 DISPONIBILE
Gabbia rulli per motori MITSUBISHI
Prezzo riservato ai clienti abilitati.
  • Riferimento Figura: 3.6
017288 DISPONIBILE
Guarnizione cilindro per motori MITSUBISHI KW32010AA
Prezzo riservato ai clienti abilitati.
  • Riferimento Figura: 2.2
006886 DISPONIBILE
Guarnizione carburatore per motori MITSUBISHI FR66672
Prezzo riservato ai clienti abilitati.
  • Riferimento Figura: 5.33
017275 DISPONIBILE
Cuffia motore per motori MITSUBISHI KH40088AA
Prezzo riservato ai clienti abilitati.
  • Riferimento Figura: 2.1
017260 DISPONIBILE
Bobina accensione per tagliasiepi MITSUBISHI KE04038AA
Prezzo riservato ai clienti abilitati.
  • Riferimento Figura: 4.2
014997 DISPONIBILE
Carburatore a membrana per motori MITSUBISHI TL201
Prezzo riservato ai clienti abilitati.
  • Riferimento Figura: 5.5
017272 DISPONIBILE
Primer per motori MITSUBISHI
Prezzo riservato ai clienti abilitati.
  • Riferimento Figura: 5.15
001813 DISPONIBILE
Nottolino carburatore per motori MITSUBISHI
Prezzo riservato ai clienti abilitati.
  • Riferimento Figura: 5.23
010047 IN ARRIVO
Data di ARRIVO 5 giu 2026
Serie Membrane per carburatori MITSUBISHI
Prezzo riservato ai clienti abilitati.
001120 IN ARRIVO
Data di ARRIVO 22 mag 2026
Filtro aria per tagliasiepi MITSUBISHI
Prezzo riservato ai clienti abilitati.
017279 DATA DI ARRIVO IN DEFINIZIONE
Scatola filtro aria per tagliasiepi MITSUBISHI KA10038AA
Prezzo riservato ai clienti abilitati.
  • Riferimento Figura: 6.1
017277 DISPONIBILE
Supporto interno filtro aria per motori MITSUBISHI
Prezzo riservato ai clienti abilitati.
  • Riferimento Figura: 6.2
015483 DISPONIBILE
Filtro aria per motori, decespugliatori e tagliasiepi MITSUBISHI KA40045AA
Prezzo riservato ai clienti abilitati.
  • Riferimento Figura: 6.4
003354 DISPONIBILE
Coperchio filtro aria per tagliasiepi MITSUBISHI KA02021BA
Prezzo riservato ai clienti abilitati.
  • Riferimento Figura: 6.5
017278 DISPONIBILE
Marmitta per motori MITSUBISHI KM01071AA
Prezzo riservato ai clienti abilitati.
  • Riferimento Figura: 7.2
017281 DISPONIBILE
Riparo marmitta per motori MITSUBISHI KM21026AA
Prezzo riservato ai clienti abilitati.
  • Riferimento Figura: 7.4
017282 DISPONIBILE
Puleggia avviamento per motori MITSUBISHI diametro esterno 59.7 mm
Prezzo riservato ai clienti abilitati.
  • Riferimento Figura: 9.3
014898 DISPONIBILE
Molla avviamento per motori MITSUBISHI FR67166XX003 - FR64824XX004
Prezzo riservato ai clienti abilitati.
  • Riferimento Figura: 9.4
001309 DISPONIBILE
Serbatoio carburante per motori MITSUBISHI KF01065BA
Prezzo riservato ai clienti abilitati.
  • Riferimento Figura: 10.1
007064 DISPONIBILE
Tappo serbatoio carburante per motori MITSUBISHI KF05014BA
Prezzo riservato ai clienti abilitati.
  • Riferimento Figura: 10.2 = 10.3 - 10.7
007736 DISPONIBILE
Raccordo tubo carburante per motori MITSUBISHI FR66754
Prezzo riservato ai clienti abilitati.
  • Riferimento Figura: 10.8
003596 DISPONIBILE
Tubo carburante per motori MITSUBISHI KF70001CA
Prezzo riservato ai clienti abilitati.
  • Riferimento Figura: 10.9
017286 DISPONIBILE
Campana frizione diametro interno 54 mm per tagliasiepi IDEAL - OCHIAI - MAORI - OKAYAMA
Prezzo riservato ai clienti abilitati.
  • Riferimento Figura: 3
004671 DISPONIBILE
Pignone per tagliasiepi OCHIAI - MAORI
Prezzo riservato ai clienti abilitati.
  • Riferimento Figura: 4
013234 DISPONIBILE
Bielletta lame per tagliasiepi MAORI - OCHIAI
Prezzo riservato ai clienti abilitati.
  • Riferimento Figura: 6
013236 DISPONIBILE
Lama superiore e inferiore lunghezza 604 mm Taglio doppio per tagliasiepi MAORI - KAWASAKI
Prezzo riservato ai clienti abilitati.
  • Riferimento Figura: 8
013210 DISPONIBILE
Impugnatura anteriore per tagliasiepi MAORI - OCHIAI
Prezzo riservato ai clienti abilitati.
  • Riferimento Figura: 9
013240 DISPONIBILE
Impugnatura completa per tagliasiepi MAORI - OCHIAI
Prezzo riservato ai clienti abilitati.
  • Riferimento Figura: 10
002076 DISPONIBILE
Molla ritorno leva sicurezza acceleratore per tagliasiepi MAORI
Prezzo riservato ai clienti abilitati.
  • Riferimento Figura: A
015493 DISPONIBILE
Leva sicurezza acceleratore per tagliasiepi MAORI
Prezzo riservato ai clienti abilitati.
  • Riferimento Figura: B
015487 DISPONIBILE
Molla ritorno leva acceleratore per tagliasiepi MAORI
Prezzo riservato ai clienti abilitati.
  • Riferimento Figura: C
015492 DISPONIBILE
Impugnatura posteriore sinistra per tagliasiepi MAORI - OCHIAI
Prezzo riservato ai clienti abilitati.
  • Riferimento Figura: E
002164 DISPONIBILE
Impugnatura posteriore destra per tagliasiepi MAORI - OCHIAI
Prezzo riservato ai clienti abilitati.
  • Riferimento Figura: F
002162 DISPONIBILE
Feltro paraolio per tagliasiepi OCHIAI - MAORI
Prezzo riservato ai clienti abilitati.
  • Riferimento Figura: 11
013237 DISPONIBILE
Cuscinetto standard 6001 diametro interno 12 mm
Prezzo riservato ai clienti abilitati.
  • Riferimento Figura: 13
005677 DATA DI ARRIVO IN DEFINIZIONE
Cuscinetto standard 608 diametro interno 8 mm
Prezzo riservato ai clienti abilitati.
  • Riferimento Figura: 14
004384 DISPONIBILE
Vite lama per tagliasiepi MAORI
Prezzo riservato ai clienti abilitati.
  • Riferimento Figura: 20
002595 DISPONIBILE
Protezione lame per tagliasiepi MAORI
Prezzo riservato ai clienti abilitati.
  • Riferimento Figura: 32
017018 DISPONIBILE
More more more Information
Nome prodotto Esploso ricambi Tagliasiepi a scoppio MAORI MITSUBISHI MHD 550-L - TL201
Codice BM 005940ESP