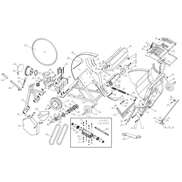
Esploso ricambi Tagliatronchi a scoppio ATTILA ALS 700 PTO

Esploso ricambi Tagliatronchi a scoppio ATTILA ALS 700 PTO

The wishlist name can't be left blank
Esploso ricambi Spaccalegna elettrico MAORI MSP 2000-T4

Esploso ricambi Spaccalegna elettrico MAORI MSP 2000-T4

Esploso ricambi Tagliatronchi a scoppio ATTILA ALS 700 P

Esploso ricambi Tagliatronchi a scoppio ATTILA ALS 700 P

Esploso ricambi Tagliatronchi a scoppio ATTILA ALS 700 PTO

Codice BM
060950ESP
Elementi prodotti raggruppati
Miniatura Nome prodotto Codice Disponibilità
Tagliatronchi a scoppio ATTILA ALS 700 PTO
060950 DISPONIBILE
DISCO WIDIA D.700 F.30 Z60
  • Riferimento Figura: 119
009885 DISPONIBILE
More more more Information
Nome prodotto Esploso ricambi Tagliatronchi a scoppio ATTILA ALS 700 PTO
Codice BM 060950ESP