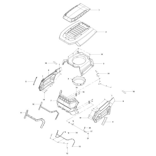
Esploso ricambi Trattorino a scoppio ATTILA AT 9243 LH-CVT

Esploso ricambi Trattorino a scoppio ATTILA AT 9243 LH-CVT

The wishlist name can't be left blank
Esploso ricambi Trattorino a scoppio ATTILA AT 10755 LH-CVT

Esploso ricambi Trattorino a scoppio ATTILA AT 10755 LH-CVT

Esploso ricambi Trattorino a scoppio ATTILA AT 9845 RH

Esploso ricambi Trattorino a scoppio ATTILA AT 9845 RH

Esploso ricambi Trattorino a scoppio ATTILA AT 9243 LH-CVT

Codice BM
067320ESP
Elementi prodotti raggruppati
Miniatura Nome prodotto Codice Disponibilità
PULEGGIA ALBERO MOTORE TGTR8635M
  • Riferimento Figura: P02-4
068203 NON DISPONIBILE
ASSALE ANTERIORE RUOTE TGTR8635M
  • Riferimento Figura: P03-11
068211 NON DISPONIBILE
MOZZO PORTARUOTA SX TGTR8635M
  • Riferimento Figura: P03-17
068212 NON DISPONIBILE
MOZZO PORTARUOTA DX TGTR8635M
  • Riferimento Figura: P03-20
068214 NON DISPONIBILE
RUOTA PIATTO LAME TGTR10755HL
  • Riferimento Figura: P04-4
067678 DISPONIBILE
RACCORDO LAVAPIATTO TGTR8635M
  • Riferimento Figura: P04-8
068224 NON DISPONIBILE
PORTALAMA SX CPL. TGTR8635M
  • Riferimento Figura: P04-13
068227 NON DISPONIBILE
PERNO MOLLA BLOC. TAPPO LAT. RASAERBA
  • Riferimento Figura: P04-18
057893 NON DISPONIBILE
MOLLA DEFLETTORE SCAR. LAT. TGTR10755HL
  • Riferimento Figura: P04-22
067681 DISPONIBILE
MOLLA REGOL. TENDICINGHIA TGTR8635M
  • Riferimento Figura: P04-31
068218 NON DISPONIBILE
PULEGGIA DX TENDICINGHIA TGTR10755HL
  • Riferimento Figura: P04-35
067689 DISPONIBILE
RELE' TGTR10755HL
  • Riferimento Figura: P05-5
067854 DISPONIBILE
TAPPO SERBATOIO BENZINA TGTR10755HL
  • Riferimento Figura: P07-1
067743 DISPONIBILE
SERBATOIO BENZINA TGTR8635M
  • Riferimento Figura: P07-2
068236 NON DISPONIBILE
VALVOLA SFIATO SERBATOIO TGTR10755HL
  • Riferimento Figura: P07-3
067744 DISPONIBILE
MOLLA LEVA CAMBIO MARCIA TGTR8635M
  • Riferimento Figura: P08-3
068237 NON DISPONIBILE
VOLANTE TGTR10755HL
  • Riferimento Figura: P09-3
067706 DATA DI ARRIVO IN DEFINIZIONE
Interruttore luci per trattorini TECKGARD
  • Riferimento Figura: P09-7
067758 DISPONIBILE
CHIAVE QUADRO AVVIAMENTO TGTR10755HL
  • Riferimento Figura: P09-8
067757 DISPONIBILE
Interruttore azionamento lame per trattorino TECKGARD
  • Riferimento Figura: P09-9
068245 DISPONIBILE
QUADRO AVVIAMENTO TGTR10755HL
  • Riferimento Figura: P09-10
067756 DISPONIBILE
MOLLA FRENO STAZIONAMENTO TGTR8635M
  • Riferimento Figura: P09-45
068259 NON DISPONIBILE
GANCIO FRENO STAZIONAMENTO TGTR8635M
  • Riferimento Figura: P09-48
068262 NON DISPONIBILE
PULEGGIA TENDICINGHIA SEMOV. TGTR8635M
  • Riferimento Figura: P10-15
068271 NON DISPONIBILE
MOLLA LEVA SUPP. ASTA ACCEL. TGTR10755HL
  • Riferimento Figura: P10-32
067807 DISPONIBILE
PULEGGIA LATERALE TELAIO TGTR8635M
  • Riferimento Figura: P10-35
068274 NON DISPONIBILE
PULEGGIA GUIDA CINGHIA SEMOV. TGTR8635M
  • Riferimento Figura: P10-40
068273 NON DISPONIBILE
MOLLA LEVA PEDALE FRENO TGTR10755HL
  • Riferimento Figura: P11-6
067808 DISPONIBILE
MOLLA PIASTRA TENDICINGHIA TGTR8635M
  • Riferimento Figura: P11-11
068286 NON DISPONIBILE
PULEG. PIATTA TENDIC. SEMOV. TGTR10755HL
  • Riferimento Figura: P11-21
067788 DISPONIBILE
MOLLA LEVA REG. ALT. TAGLIO TGTR10755HL
  • Riferimento Figura: P12-6
067783 DISPONIBILE
Rondella lama pgl380li
  • Riferimento Figura: P13-2
059207 DISPONIBILE
MOLLA PIASTRA SUPP. SEDILE TGTR10755HL
  • Riferimento Figura: P13-3
067816 DISPONIBILE
MICROINTERRUTTORE TGTR10755HL
  • Riferimento Figura: P10-37
067828 DISPONIBILE
SEDILE TGTR8635M
  • Riferimento Figura: P14-1
068324 NON DISPONIBILE
TAPPO RUOTA TGTR10755HL
  • Riferimento Figura: P03-10
067733 DISPONIBILE
CHIAVETTA RUOTA 4.7x4.7x70 TGTR10755HL
  • Riferimento Figura: P15-4
067835 DISPONIBILE
SEMOVENZA TGTR10755HL
  • Riferimento Figura: P15-8
067842 DATA DI ARRIVO IN DEFINIZIONE
More more more Information
Nome prodotto Esploso ricambi Trattorino a scoppio ATTILA AT 9243 LH-CVT
Codice BM 067320ESP