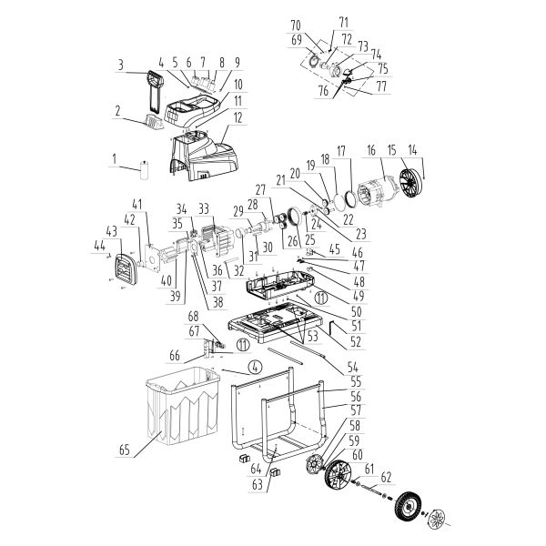
Esploso ricambi Biotrituratore elettrico GREEN LINE GL 2800 EL Biosilent

Esploso ricambi Biotrituratore elettrico GREEN LINE GL 2800 EL Biosilent

The wishlist name can't be left blank
Esploso ricambi Biotrituratore a scoppio PROGREEN PGBC 2006

Esploso ricambi Biotrituratore a scoppio PROGREEN PGBC 2006

Esploso ricambi Biotrituratore elettrico GREENLINE GL 2800 EL Biosilent

Esploso ricambi Biotrituratore elettrico GREENLINE GL 2800 EL Biosilent

Esploso ricambi Biotrituratore elettrico GREEN LINE GL 2800 EL Biosilent

8,00 €
Codice BM
050920ESP
Elementi prodotti raggruppati
Miniatura Nome prodotto Codice Disponibilità Qta
Interruttore inversione marcia per biotrituratori GREENLINE
Prezzo riservato ai clienti abilitati.
  • Riferimento Figura: 6
050167 DISPONIBILE
Interruttore per biotrituratori GREENLINE
Prezzo riservato ai clienti abilitati.
  • Riferimento Figura: 7
050169 DISPONIBILE
Protezione sovraccarico per biotrituratori GREEN LINE
Prezzo riservato ai clienti abilitati.
  • Riferimento Figura: 8
050168 DISPONIBILE
Motore elettrico per biotrituratori GREEN LINE
Prezzo riservato ai clienti abilitati.
  • Riferimento Figura: 16
050188 DISPONIBILE
Controlama per biotrituratori GREEN LINE
Prezzo riservato ai clienti abilitati.
  • Riferimento Figura: 39
050174 DISPONIBILE
Rullo trituratore per biotrituratori GREEN LINE
Prezzo riservato ai clienti abilitati.
  • Riferimento Figura: 40
050175 DISPONIBILE
Ruota per biotrituratori GREEN LINE
Prezzo riservato ai clienti abilitati.
  • Riferimento Figura: 60
052105 DISPONIBILE
Cesto raccolta GL 2800EL
Prezzo riservato ai clienti abilitati.
  • Riferimento Figura: 65
052107 DISPONIBILE
More more more Information
Nome prodotto Esploso ricambi Biotrituratore elettrico GREEN LINE GL 2800 EL Biosilent
Codice BM 050920ESP