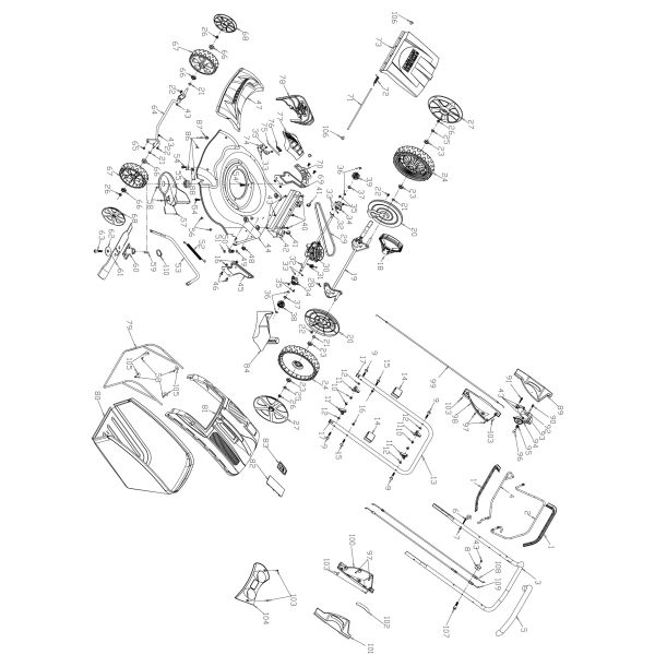
Esploso ricambi Rasaerba a scoppio MAORI MP 5013 SBQ

Esploso ricambi Rasaerba a scoppio MAORI MP 5013 SBQ

The wishlist name can't be left blank
Esploso ricambi Rasaerba a scoppio MAORI MP 5515 SBQ

Esploso ricambi Rasaerba a scoppio MAORI MP 5515 SBQ

Esploso ricambi Rasaerba a scoppio MAORI MP 5516 SHQ

Esploso ricambi Rasaerba a scoppio MAORI MP 5516 SHQ

Esploso ricambi Rasaerba a scoppio MAORI MP 5013 SBQ

0,90 €
Codice BM
022760ESP
Elementi prodotti raggruppati
Miniatura Nome prodotto Codice Disponibilità Qta
Copertura leva freno per rasaerba MAORI Silver Line
Prezzo riservato ai clienti abilitati.
  • Riferimento Figura: 1
023761 DISPONIBILE
LEVA SEMOVENZA
Prezzo riservato ai clienti abilitati.
  • Riferimento Figura: 2
023762 DISPONIBILE
Stegola superiore per rasaerba MAORI Silver Line
Prezzo riservato ai clienti abilitati.
  • Riferimento Figura: 3
023717 DISPONIBILE
Leva freno per rasaerba MAORI Silver Line
Prezzo riservato ai clienti abilitati.
  • Riferimento Figura: 4
023659 DISPONIBILE
Impugnatura in gomma piuma per rasaerba MAORI Silver Line
Prezzo riservato ai clienti abilitati.
  • Riferimento Figura: 5
023657 DISPONIBILE
GANCIO CORDA AVVIAMENTO MP4814P MP4814S
Prezzo riservato ai clienti abilitati.
  • Riferimento Figura: 6
023660 DISPONIBILE
Dado gancio corda avviamento MAORI MP5318S
Prezzo riservato ai clienti abilitati.
  • Riferimento Figura: 7
023700 DISPONIBILE
FISSAGGIO CAVO FRENO
Prezzo riservato ai clienti abilitati.
  • Riferimento Figura: 8
023598 DISPONIBILE
Vite pomello fissaggio stegole per rasaerba MAORI
Prezzo riservato ai clienti abilitati.
  • Riferimento Figura: 9
023662 DISPONIBILE
Pomello fissaggio stegole per rasaerba MAORI
Prezzo riservato ai clienti abilitati.
  • Riferimento Figura: 11
023599 DISPONIBILE
Stegola inferiore per rasaerba MAORI Silver Line
Prezzo riservato ai clienti abilitati.
  • Riferimento Figura: 13
023663 DISPONIBILE
SUPPORTO CAVO MP5318S MP4814P MP4414S MP
Prezzo riservato ai clienti abilitati.
  • Riferimento Figura: 14
023604 DISPONIBILE
TAPPO STEGOLA INFERIORE MP4814P MP4814S
Prezzo riservato ai clienti abilitati.
  • Riferimento Figura: 17
023664 DISPONIBILE
Maniglia alzaruote per rasaerba MAORI
Prezzo riservato ai clienti abilitati.
  • Riferimento Figura: 18
023718 DISPONIBILE
Assale ruote posteriore per rasaerba MAORI
Prezzo riservato ai clienti abilitati.
  • Riferimento Figura: 19
023719 DISPONIBILE
Copriruota interno diametro 222 mm per rasaerba MAORI
Prezzo riservato ai clienti abilitati.
  • Riferimento Figura: 20
023720 DISPONIBILE
Cuscinetto standard R8 diametro interno 12.7 mm
Prezzo riservato ai clienti abilitati.
  • Riferimento Figura: 23
023702 DISPONIBILE
Ruota diametro 250 mm per rasaerba MAORI
Prezzo riservato ai clienti abilitati.
  • Riferimento Figura: 24
023721 DISPONIBILE
Copriruota diametro 228 mm per rasaerba MAORI
Prezzo riservato ai clienti abilitati.
  • Riferimento Figura: 27
023722 DISPONIBILE
Cinghia TRAPEZOIDALE 29 pollici per rasaerba MAORI
Prezzo riservato ai clienti abilitati.
  • Riferimento Figura: 29
023704 DISPONIBILE
Semovenza per rasaerba MAORI
Prezzo riservato ai clienti abilitati.
  • Riferimento Figura: 30
023077 DISPONIBILE
Molla semovenza per rasaerba MAORI
Prezzo riservato ai clienti abilitati.
  • Riferimento Figura: 31
023706 DISPONIBILE
Spina semovenza per rasaerba MAORI
Prezzo riservato ai clienti abilitati.
  • Riferimento Figura: 32
023643 DISPONIBILE
Boccola ruota posteriore per rasaerba MAORI
Prezzo riservato ai clienti abilitati.
  • Riferimento Figura: 34
023670 DISPONIBILE
Seeger semovenza MAORI MP4814S MP5014SQ MP5518
Prezzo riservato ai clienti abilitati.
  • Riferimento Figura: 36
023707 DISPONIBILE
Ingranaggio semovenza sinistra per rasaerba MAORI
Prezzo riservato ai clienti abilitati.
  • Riferimento Figura: 38
023723 DISPONIBILE
Ingranaggio semovenza destra per rasaerba MAORI
Prezzo riservato ai clienti abilitati.
  • Riferimento Figura: 39
023724 DISPONIBILE
Aggancio sacco raccolta per rasaerba MAORI
Prezzo riservato ai clienti abilitati.
  • Riferimento Figura: 41
023671 DISPONIBILE
Supporto aggancio sacco raccolta per rasaerba MAORI
Prezzo riservato ai clienti abilitati.
  • Riferimento Figura: 42
023672 DISPONIBILE
Telaio rasaerba nudo rasaerba MP5014SQ
Prezzo riservato ai clienti abilitati.
  • Riferimento Figura: 44
023725 DISPONIBILE
SUPPORTO STEGOLA INFERIORE SX MP4814P MP
Prezzo riservato ai clienti abilitati.
  • Riferimento Figura: 45
023674 DISPONIBILE
FRONTALE IN PLASTICA MP5014SQ MP5518SQ
Prezzo riservato ai clienti abilitati.
  • Riferimento Figura: 47
023726 DISPONIBILE
PASSACAVO MP5318S MP4814P MP4414S MP4814
Prezzo riservato ai clienti abilitati.
  • Riferimento Figura: 48
023618 DISPONIBILE
O-ring 11x2.5mm per rasaerba MAORI Silver Line
Prezzo riservato ai clienti abilitati.
  • Riferimento Figura: 49
023676 DISPONIBILE
RACCORDO PULIZIA PIATTO MP4814P MP4814S
Prezzo riservato ai clienti abilitati.
  • Riferimento Figura: 50
023677 DISPONIBILE
DADO RACCORDO PULIZIA PIATTO MP4814P MP4
Prezzo riservato ai clienti abilitati.
  • Riferimento Figura: 51
023678 DISPONIBILE
Staffa alzaruote per rasaerba MAORI
Prezzo riservato ai clienti abilitati.
  • Riferimento Figura: 52
023679 DISPONIBILE
Staffa alzaruote per rasaerba MAORI
Prezzo riservato ai clienti abilitati.
  • Riferimento Figura: 53
023709 DISPONIBILE
Puleggia per rasaerba MAORI diametro esterno 45 mm
Prezzo riservato ai clienti abilitati.
  • Riferimento Figura: 55
023651 DISPONIBILE
Boccola carter copricinghia per rasaerba MAORI
Prezzo riservato ai clienti abilitati.
  • Riferimento Figura: 56
023654 DISPONIBILE
Carter copricinghia per rasaerba MAORI
Prezzo riservato ai clienti abilitati.
  • Riferimento Figura: 57
023763 DISPONIBILE
Chiavetta per rasaerba MAORI
Prezzo riservato ai clienti abilitati.
  • Riferimento Figura: 59
023621 DISPONIBILE
Portalama diametro albero 22.2 per rasaerba MAORI
Prezzo riservato ai clienti abilitati.
  • Riferimento Figura: 60
023653 DISPONIBILE
Lama lunghezza 455 mm per rasaerba MAORI
Prezzo riservato ai clienti abilitati.
  • Riferimento Figura: 61
023681 DISPONIBILE
Rondella lama per mozzi lama per rasaerba MAORI
Prezzo riservato ai clienti abilitati.
  • Riferimento Figura: 62
023624 DISPONIBILE
Vite lama 3/8" passo 1.00 mm lunghezza 34 mm per rasaerba MAORI
Prezzo riservato ai clienti abilitati.
  • Riferimento Figura: 63
023625 DISPONIBILE
Assale ruote anteriore
Prezzo riservato ai clienti abilitati.
  • Riferimento Figura: 64
023682 DISPONIBILE
Cuscinetto ruote rasaerba diametro interno 12.8 mm
Prezzo riservato ai clienti abilitati.
  • Riferimento Figura: 66
023667 DISPONIBILE
Ruota diametro 175 mm per rasaerba MAORI
Prezzo riservato ai clienti abilitati.
  • Riferimento Figura: 67
023608 DISPONIBILE
Copriruota diametro 150 mm per rasaerba MAORI
Prezzo riservato ai clienti abilitati.
  • Riferimento Figura: 68
023683 DISPONIBILE
SUPPORTO STEGOLA INFERIORE DX MP4814P MP
Prezzo riservato ai clienti abilitati.
  • Riferimento Figura: 69
023684 DISPONIBILE
Piastra regolazione altezza per rasaerba MAORI
Prezzo riservato ai clienti abilitati.
  • Riferimento Figura: 70
023712 DISPONIBILE
ASSE COPERCHIO SCARICO POSTERIORE MP4814
Prezzo riservato ai clienti abilitati.
  • Riferimento Figura: 71
023686 DISPONIBILE
MOLLA COPERCHIO SCARICO POST MP4814P MP4
Prezzo riservato ai clienti abilitati.
  • Riferimento Figura: 72
023687 DISPONIBILE
Coperchio scarico posteriore per rasaerba MAORI
Prezzo riservato ai clienti abilitati.
  • Riferimento Figura: 73
023688 DISPONIBILE
STAFFA SCARICO LATERALE MP5014SQ MP5518S
Prezzo riservato ai clienti abilitati.
  • Riferimento Figura: 74
023729 DISPONIBILE
ASSE STAFFA SCARICO LATERALE MP5014SQ MP
Prezzo riservato ai clienti abilitati.
  • Riferimento Figura: 75
023764 DISPONIBILE
Molla tappo scarico laterale
Prezzo riservato ai clienti abilitati.
  • Riferimento Figura: 76
023731 DISPONIBILE
Coperchio scarico laterale per rasaerba MAORI
Prezzo riservato ai clienti abilitati.
  • Riferimento Figura: 77
023765 DISPONIBILE
Deflettore scarico laterale per rasaerba MAORI
Prezzo riservato ai clienti abilitati.
  • Riferimento Figura: 78
023766 DISPONIBILE
Telaio sacco raccolta per rasaerba MAORI
Prezzo riservato ai clienti abilitati.
  • Riferimento Figura: 79
023689 DISPONIBILE
Sacco raccolta per rasaerba MAORI
Prezzo riservato ai clienti abilitati.
  • Riferimento Figura: 80
023690 IN ARRIVO
Data di ARRIVO 30 giu 2026
Coperchio sacco raccolta per rasaerba MAORI
Prezzo riservato ai clienti abilitati.
  • Riferimento Figura: 81
023692 DISPONIBILE
Piastra copertura sacco raccolta per rasaerba MAORI
Prezzo riservato ai clienti abilitati.
  • Riferimento Figura: 82
023693 DISPONIBILE
Indicatore riempimento sacco per rasaerba MAORI
Prezzo riservato ai clienti abilitati.
  • Riferimento Figura: 83
023694 DISPONIBILE
Tappo mulching per rasaerba MAORI
Prezzo riservato ai clienti abilitati.
  • Riferimento Figura: 84
023691 DISPONIBILE
Rondella spessore destra per rasaerba MAORI Silver Line
Prezzo riservato ai clienti abilitati.
  • Riferimento Figura: 87
023734 DISPONIBILE
Rondella spessore sinistra per rasaerba MAORI Silver Line
Prezzo riservato ai clienti abilitati.
  • Riferimento Figura: 88
023735 DISPONIBILE
Pannello superiore destro stegola superiore per rasaerba MAORI Silver Line
Prezzo riservato ai clienti abilitati.
  • Riferimento Figura: 89
023736 DISPONIBILE
Piastra fissaggio cavo acceleratore per rasaerba MAORI Silver Line
Prezzo riservato ai clienti abilitati.
  • Riferimento Figura: 93
023737 DISPONIBILE
Leva acceleratore per rasaerba MAORI
Prezzo riservato ai clienti abilitati.
  • Riferimento Figura: 94
023738 DISPONIBILE
Molla fissaggio leva acceleratore per rasaerba MAORI
Prezzo riservato ai clienti abilitati.
  • Riferimento Figura: 95
023739 DISPONIBILE
Vite fissaggio leva acceleratore per rasaerba MAORI Silver Line
Prezzo riservato ai clienti abilitati.
  • Riferimento Figura: 96
023740 DISPONIBILE
Pannello inferiore destro stegola superiore per rasaerba MAORI Silver Line
Prezzo riservato ai clienti abilitati.
  • Riferimento Figura: 98
023741 DISPONIBILE
Cavo Acceleratore per rasaerba MAORI G53S0000100
Prezzo riservato ai clienti abilitati.
  • Riferimento Figura: 99
023767 DISPONIBILE
Pannello inferiore sinistro stegola superiore per rasaerba MAORI Silver Line
Prezzo riservato ai clienti abilitati.
  • Riferimento Figura: 100
023743 DISPONIBILE
Pannello superiore sinistro stegola superiore per rasaerba MAORI Silver Line
Prezzo riservato ai clienti abilitati.
  • Riferimento Figura: 101
023744 DISPONIBILE
Piastra di copertura per rasaerba MAORI Silver Line
Prezzo riservato ai clienti abilitati.
  • Riferimento Figura: 102
023768 DISPONIBILE
Pannello stegola superiore per rasaerba MAORI Silver Line
Prezzo riservato ai clienti abilitati.
  • Riferimento Figura: 104
023746 DISPONIBILE
Spina coperchio scarico posteriore per rasaerba MAORI Silver Line
Prezzo riservato ai clienti abilitati.
  • Riferimento Figura: 106
023675 DISPONIBILE
Cavo Freno motore per rasaerba MAORI 6339XX20000
Prezzo riservato ai clienti abilitati.
  • Riferimento Figura: 108
023769 DISPONIBILE
Cavo Semovenza per rasaerba MAORI 6339xy60000
Prezzo riservato ai clienti abilitati.
  • Riferimento Figura: 109
038022 DISPONIBILE
Seeger portalama MAORI MP5515SBQ
Prezzo riservato ai clienti abilitati.
  • Riferimento Figura: 110
023652 DISPONIBILE
More more more Information
Nome prodotto Esploso ricambi Rasaerba a scoppio MAORI MP 5013 SBQ
Codice BM 022760ESP