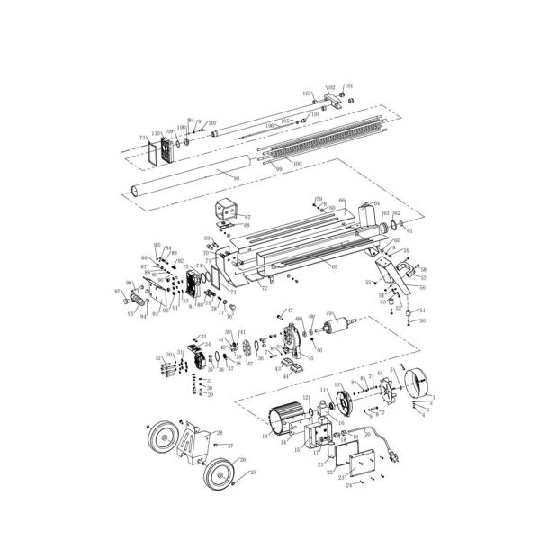
Esploso ricambi Spaccalegna elettrico MAORI MSP 2000-T4

Esploso ricambi Spaccalegna elettrico MAORI MSP 2000-T4

The wishlist name can't be left blank
Esploso ricambi Spaccalegna elettrico NEWTON NT 8000 HSE

Esploso ricambi Spaccalegna elettrico NEWTON NT 8000 HSE

Esploso ricambi Tagliatronchi a scoppio ATTILA ALS 700 PTO

Esploso ricambi Tagliatronchi a scoppio ATTILA ALS 700 PTO

Esploso ricambi Spaccalegna elettrico MAORI MSP 2000-T4

Codice BM
061300ESP
Elementi prodotti raggruppati
Miniatura Nome prodotto Codice Disponibilità
Coperchio ventola motore per spaccalegna MAORI MSP 2000 4-T
  • Riferimento Figura: 1
063827 DISPONIBILE
More more more Information
Nome prodotto Esploso ricambi Spaccalegna elettrico MAORI MSP 2000-T4
Codice BM 061300ESP